This thread has been locked.

If you have a related question, please click the "Ask a related question" button in the top right corner. The newly created question will be automatically linked to this question.

[参考译文] TM4C1294KCPDT:GPIO 引脚(开漏)在低温下的问题

Guru**** 2620655 points

Other Parts Discussed in Thread: TM4C1294KCPDT

请注意,本文内容源自机器翻译,可能存在语法或其它翻译错误,仅供参考。如需获取准确内容,请参阅链接中的英语原文或自行翻译。

https://e2e.ti.com/support/microcontrollers/arm-based-microcontrollers-group/arm-based-microcontrollers/f/arm-based-microcontrollers-forum/683049/tm4c1294kcpdt-problems-with-gpio-pins-open-drain-at-low-temperature

器件型号:TM4C1294KCPDT
主题中讨论的其他器件: TM4C123

大家好、

我使用 TM4C1294KCPDT 的设计使用 GPIO:

* 在初始化为 OD 输出的 GPIO (PM 和 PK)上、我连接了 LED (3.3V -> LED ->电阻330R -> GPIO)

* 在初始化为输入的 GPIO (PE)上(无 PU 无 PD) 我已连接干簧管(3.3V ->电阻47k -> GPIO ->干簧管-> GND)

我遇到了这个问题:

* 在低温(-20°C)下、当 GPIO 配置为输出 OD 并且数据寄存器设置为高电平时、LED 会亮起。 如果该 GPIO 配置为输出推挽、则 LED 按预期工作。

* 在低温(-20°C)下、即使干簧未激活、GPIO 输入(干簧)处的信号也测量为0.3V。 我直接通过控制器引脚测量该值。 在我看来、它就像这个输入引脚变为低状态输出引脚一样。

这两种影响都在"正常"温度下产生。

有什么想法吗?

谢谢 Andres

  • 请注意,本文内容源自机器翻译,可能存在语法或其它翻译错误,仅供参考。如需获取准确内容,请参阅链接中的英语原文或自行翻译。
    您是否有显示连接的原理图? 您是否在驱动 LED 的 GPIO 引脚上禁用了拉动? 一般而言、在低温下、拉电流较强、输入泄漏较低。
  • 请注意,本文内容源自机器翻译,可能存在语法或其它翻译错误,仅供参考。如需获取准确内容,请参阅链接中的英语原文或自行翻译。

    Bob、

    感谢您的快速回复。

    是的、所有 GPIO 的 PU 都被禁用。

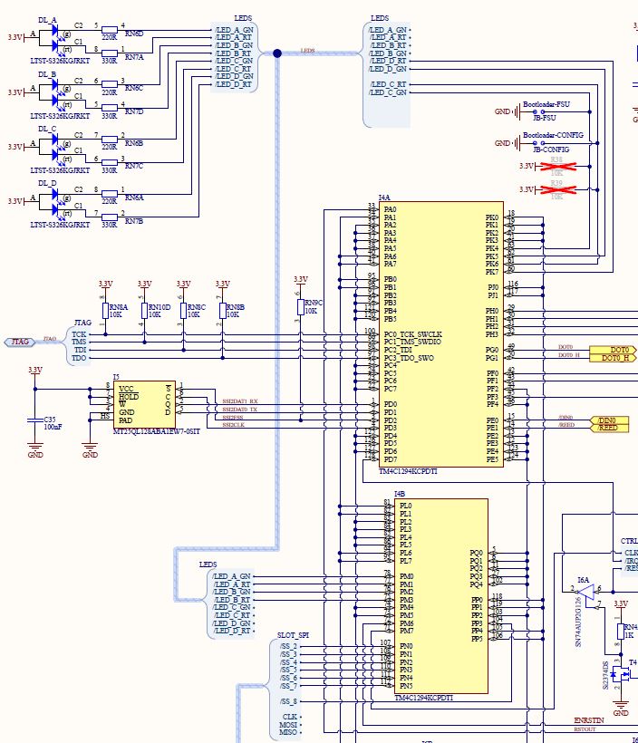
    这是原理图:

                  

    跳线 JB 未设置。 R38、R39未安装。

    PE2上信号/Reed 输入的影响在 LED 开始发光时"发出冷态"时开始。 将电路板加热至"正常"温度后、LED 以正确的方式工作、但簧片输入继续堆叠、以达到 ca 的温度。 低电平信号时为1-2小时。 测量簧片触点时、我始终得到一个打开的开关(00欧姆)、但输入引脚上的电压为0.3V。 之后、磁簧输入工作正常、无任何故障。 一直运行一个小测试程序、使 LED 闪烁并检查簧片输入是否为高电平。

  • 请注意,本文内容源自机器翻译,可能存在语法或其它翻译错误,仅供参考。如需获取准确内容,请参阅链接中的英语原文或自行翻译。

    请允许我注意、如果您确认您的调查结果、您的(相当详细)报告将随附"增加的信心"、并包含在多个其他电路板上!

    单板异常简单地说、"吃时间和精力"-远远不成比例-与他们的价值。

    您是如何"清洁电路板的?" 某些"清洁剂"可使"不必要的残留物停留"-(可能)放大(或至少添加)您所注意到的内容...

    作为(非常)快速/脏污检查-您是否可以重复 GPIO "组装"-但移至最匹配的"供应商评估板"-提供额外(可能富有洞察力)数据?

    我可以注意到、我们 的"TM4C123电路板设计"中有几种-在"天气气球/类似"上(在海拔)-运行良好-在(甚至)较低的温度下...

  • 请注意,本文内容源自机器翻译,可能存在语法或其它翻译错误,仅供参考。如需获取准确内容,请参阅链接中的英语原文或自行翻译。
    安德烈斯、您好!
    我看不到原理图。
  • 请注意,本文内容源自机器翻译,可能存在语法或其它翻译错误,仅供参考。如需获取准确内容,请参阅链接中的英语原文或自行翻译。

      Bob、

    附件不起作用、此处的原理图作为附加文件

  • 请注意,本文内容源自机器翻译,可能存在语法或其它翻译错误,仅供参考。如需获取准确内容,请参阅链接中的英语原文或自行翻译。

    需要注意的是、您已将多个(假设未使用)引脚绑定在一起-跨多个端口。   MCU 手册指示这些引脚(最好)接地。   未描述的是您的软件如何配置这些引脚-默认模式会将这些引脚排序为"输入"。   (我认为这是安全的。)

    Fi/I 已注意到(有点)类似的"温度影响"-这些 MCU 电路/部分(影响更明显):

    • VDDC -连接到这两个引脚的外部电容器-必须保持其容量@μ F 低温
    • 外部晶振/支持组件(CAP)必须针对-并保持性能-进行规范

    我们发现、当发现"所有" MCU 电压存在异常时、监控这些电压会很有用。   (例如、当您接近-20°C "危难区"时尤其如此。)   此外、监控  MCU 的电流消耗、尤其是在"危难区"附近、这通常是有用的。

    再次-对于 显示此条件的"板数量"、您保持沉默。   您的案例放大-出现问题时-(超出范围)一次!

    此外-如果仅用于(临时)测试目的-让多个引脚以已知频率(建议使用100KHz)和占空比输出-然后"在温度下降时观察偏差"-证明  其值显著...   计时器引脚-定时器设置为"PWM 模式"-为此目的快速/简单(即"有意")!    

    我们注意到您有一个"小测试程序"、但此处建议的方法是 "有意 提高量化/降低粗细"、 更能"检测并注意"任何此类 "干扰开始..."   (即使干扰是"轻微的"、尤其是在干扰是"轻微的"情况下。)

  • 请注意,本文内容源自机器翻译,可能存在语法或其它翻译错误,仅供参考。如需获取准确内容,请参阅链接中的英语原文或自行翻译。
    我在原理图中看不到任何明显的东西。 如果您在-20°C 的温度下安装了没有软件(擦除闪存)的电路板、您是否仍然看到 LED 亮起?
  • 请注意,本文内容源自机器翻译,可能存在语法或其它翻译错误,仅供参考。如需获取准确内容,请参阅链接中的英语原文或自行翻译。

    不会这样的“测试”... 在"无软件/擦除闪存"条件下-证明、"不足强制要求"-因为 GPIO (可能)"唤醒"进入 GPIO 输入模式? (即"原始、未编程器件"是否保证显示(任何)预期的默认值、引脚管理?)

    (必须)假定(早期)和(已证明)诊断建议的级联(由于(某些)原因而被"驳回)是可以的(虽然可能是"不太明智")、但(真正)了解将是有用的!

    如果"忘记"海报的初始帖子 "已打开"、请 "大家好!"    

  • 请注意,本文内容源自机器翻译,可能存在语法或其它翻译错误,仅供参考。如需获取准确内容,请参阅链接中的英语原文或自行翻译。
    我没有听到你的反馈。 您是否已解决此问题?
  • 请注意,本文内容源自机器翻译,可能存在语法或其它翻译错误,仅供参考。如需获取准确内容,请参阅链接中的英语原文或自行翻译。

    Bob、

    我已决定将问题解决。

    如果只有 CPU 芯片在冷却器喷雾的情况下冷却较重、并且电路板的另一个区域处于"正常"温度、则会出现此问题。 对于整个系统来说、这并不是一个真正存在的工作点、我们观察到使用一些原型进行应力测试时出现的误差。

    感谢您的帮助!