您好!
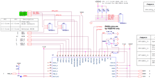
我在 定制电路板中使用 TM4C1292NCPDT 来验证外部 PHY (KSZ8765)和控制器之间的接口。 我使用了 Thread 的代码(RTOS/TM4C1292NCPDT:通过 MII 接口在外部 PHY 配置中出现问题-基于 Arm 的微控制器论坛-基于 Arm 的微控制器- TI E2E 支持论坛 )并根据我的应用进行了修改。
已随附修改后的代码。/cfs-file/__key/communityserver-discussions-components-files/908/tcpEcho_5F00_B.zip
我能够配置开关。

但无法在 Wireshark 和终端窗口上获得输出。 请参阅下面的



请分享您的反馈或建议。
谢谢。
Kiran






















































































