Other Parts Discussed in Thread: NE5532
https://e2e.ti.com/support/audio-group/audio/f/audio-forum/1534352/ne5532-ne5532-in-in--voltage
部件号:NE5532工具/软件:
Dears、
我的客户反馈 NE5532DR、CCO MEX 显示 IN+和 IN- 0.67V 电压、、但 CCO MLA 显示 IN+和 IN-无电压、请帮助检查 内部结构是否有变化?

This thread has been locked.
If you have a related question, please click the "Ask a related question" button in the top right corner. The newly created question will be automatically linked to this question.
Other Parts Discussed in Thread: NE5532
https://e2e.ti.com/support/audio-group/audio/f/audio-forum/1534352/ne5532-ne5532-in-in--voltage
部件号:NE5532工具/软件:
Dears、
我的客户反馈 NE5532DR、CCO MEX 显示 IN+和 IN- 0.67V 电压、、但 CCO MLA 显示 IN+和 IN-无电压、请帮助检查 内部结构是否有变化?

尊敬的李宁:
请帮助您检查 内部结构是否有变化?
您可能正在处理新的晶圆制造厂 NE5532 产品、请参阅下面的 PCN 链接。

https://mm.digikey.com/Volume0/opasdata/d220001/medias/docus/5726/PCN20231114002.1.pdf
我的客户反馈 NE5532DR、CCO MEX 显示 IN+和 IN- 0.67V 电压
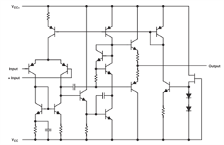
新的 FAB NE5532 没有背对背输入二极管保护(使用不同的输入保护方案,请参阅类似的方框图)。 您可以添加一对背对背二极管、也可以使用 OPA1678、它应该是更好的音频放大器(但它是 CMOS)。 成本相当。


如果您有其他问题、请告诉我。
此致、
Raymond