This thread has been locked.

If you have a related question, please click the "Ask a related question" button in the top right corner. The newly created question will be automatically linked to this question.

[参考译文] TLV320ADC3101:ADC的AMIC配置/设置- TLV320ADC3101

Guru**** 2560390 points


请注意,本文内容源自机器翻译,可能存在语法或其它翻译错误,仅供参考。如需获取准确内容,请参阅链接中的英语原文或自行翻译。

https://e2e.ti.com/support/audio-group/audio/f/audio-forum/570061/tlv320adc3101-amic-configuration-setting-for-adc---tlv320adc3101

部件号:TLV320ADC3101

为您提供背景和当前状态

 

  1.       我们可以枚举ADC。
  2.     I2C访问正常。
  3.    I2S访问正常。
  4.    问题–我们看到AMIC输出正在移动,但我们无法通过ADC正确获取。
  1. 因此,我需要您的帮助,以了解我们需要的正确设置。
  2. 对于此MIC,我们需要遵循什么设置?  
  3. 现在,我们的最大增益设置为40dB + 20dB。

谢谢!  

Supritha

  • 请注意,本文内容源自机器翻译,可能存在语法或其它翻译错误,仅供参考。如需获取准确内容,请参阅链接中的英语原文或自行翻译。

    你好,Supritha,

    我认为只需要正确配置ADC3101寄存器。 请查看以下示例。 这些脚本可用于正确配置ADC3101。 如果您有其他问题或意见,请告诉我。

    e2e.ti.com/.../0045.External_5F00_Microphone.txt

    e2e.ti.com/.../3582.Line_5F00_In_5F00_Stereo_5F00_Recording.txt

    此致,
    Luis Fernando Rodríguez ñ o S.

  • 请注意,本文内容源自机器翻译,可能存在语法或其它翻译错误,仅供参考。如需获取准确内容,请参阅链接中的英语原文或自行翻译。
  • 请注意,本文内容源自机器翻译,可能存在语法或其它翻译错误,仅供参考。如需获取准确内容,请参阅链接中的英语原文或自行翻译。
     
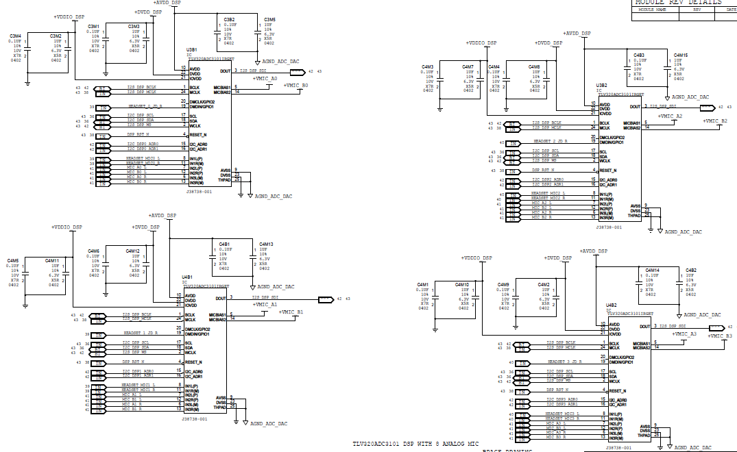
    我们的设计中总共有8个模拟麦克风,使用4个ADC,如下所示。
     
     
    但是,通过您的设置,我们只能在on2 ADC上启用MIC。 其余的多指标类集调查不起作用。 您能帮我们吗?
     
    谢谢,此致,
    Supritha
     
  • 请注意,本文内容源自机器翻译,可能存在语法或其它翻译错误,仅供参考。如需获取准确内容,请参阅链接中的英语原文或自行翻译。

    你好,Supritha,

    您是否在TDM模式下连接ADC? 我的意思是,所有ADC是否共享相同的DOUT线路(请查看下图了解详细信息)?

    在这种情况下,您需要确保BCLK符合以下条件:

     在不使用DOUT线时,您需要添加偏移并将其置于Hi-Z中。 这是为了避免ADC DOUT线路之间发生任何碰撞。 请将Page 0/ Register 27/ bit D0配置为"3-说明DOUT: enabled"(DOUT:已启用)。 然后,每个ADC都需要特定的偏移量以避免任何冲突。 要添加偏移,请配置第0页/注册28。

    最后,每个ADC需要哪些模拟输入? 我共享的脚本使用IN1L和IN1R作为单端。

    此致,
    Luis Fernando Rodríguez ñ o S.

  • 请注意,本文内容源自机器翻译,可能存在语法或其它翻译错误,仅供参考。如需获取准确内容,请参阅链接中的英语原文或自行翻译。
     
    谢谢,此致,
    Supritha