This thread has been locked.

If you have a related question, please click the "Ask a related question" button in the top right corner. The newly created question will be automatically linked to this question.

[参考译文] TLV320AIC3104:客户主板和EVM上出现意外噪音

Guru**** 2369400 points
请注意,本文内容源自机器翻译,可能存在语法或其它翻译错误,仅供参考。如需获取准确内容,请参阅链接中的英语原文或自行翻译。

https://e2e.ti.com/support/audio-group/audio/f/audio-forum/630778/tlv320aic3104-unexpected-noise-on-customer-board-and-evm

部件号:TLV320AIC3104

大家好,支持!

我的客户遇到音频编解码器噪音问题。

基本上,即使他们通过SAI以零信号水平馈送编解码器,他们也可以看到编解码器输出上的一些噪声增加。

这种情况不仅发生在电路板上,而且也发生在TLV320AIC3104EVM上。

更多详细信息,他们在编解码器上有此设置:(用于在aic310x开发板中设置寄存器的代码)

W 30 07 0A

W 30 2B 04

W 30 29 A2

W 30 25 E0

W 30 26 10.

宽30 40 00

W 30 2F 00

W 30 41 0D

W 30 33 0D

 

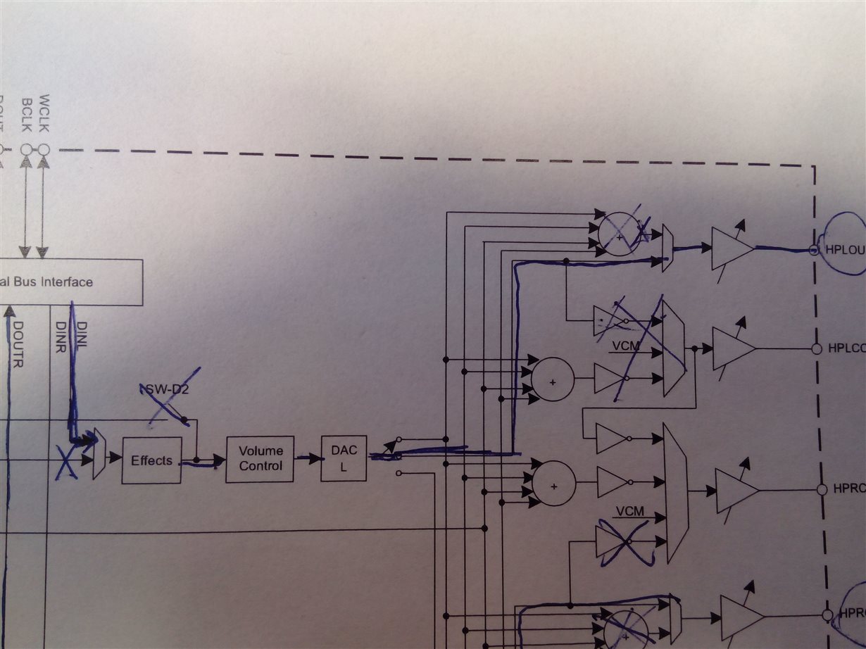
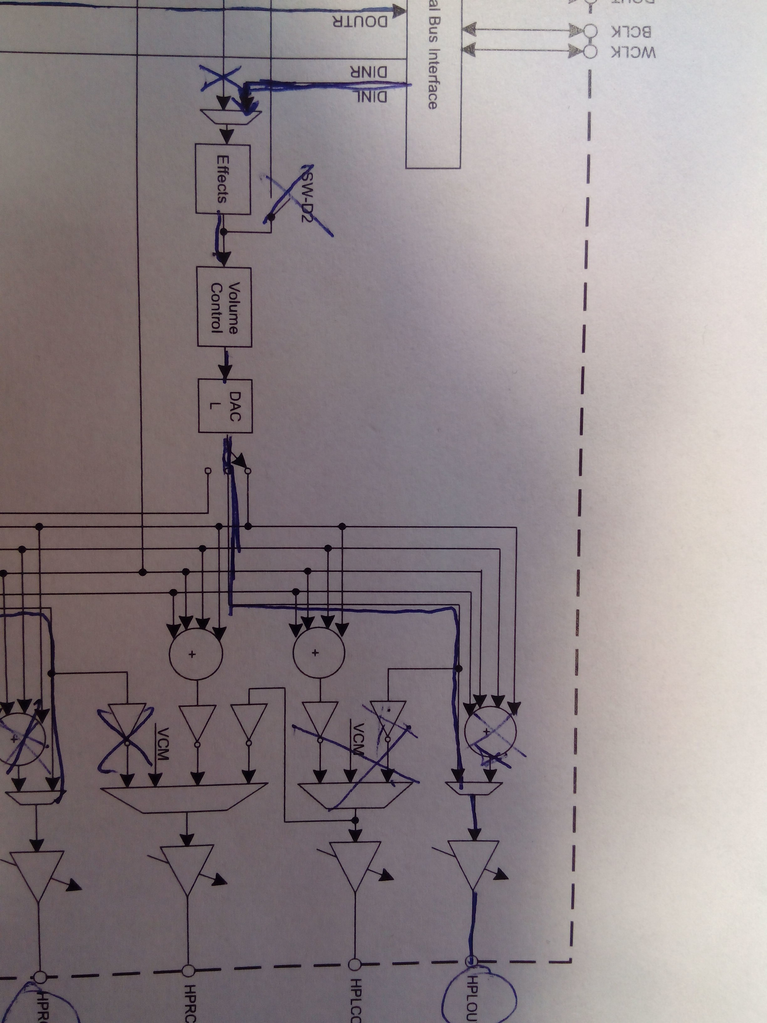
基本上从SAI进入音量控制> DAC >和海峡到HP OUT (绕过多路输出通道)  

 

在开发板上测试相同的设置时,我们获得几乎相同的噪声输出。

 

               渠道1我们的原型

               通道2 tlv320aic3104vm开发板

 

               1设置寄存器时,编解码器几乎没有噪音:SCOPE _22

               2在播放了一些内容(但没有播放任何内容–通过SAI发送0)后,有很大的噪音:SCOPE 23,24,25

               3当输出静音时(HP OUT和DAC断电),输出噪音只是一些,但不是很大。  在SCOT_27中,原型已将输出设为静音。

 

我附加范围。

您能帮我确定此问题的根源吗?

谢谢,此致,

Alberto

e2e.ti.com/.../scopes.zip

  • 请注意,本文内容源自机器翻译,可能存在语法或其它翻译错误,仅供参考。如需获取准确内容,请参阅链接中的英语原文或自行翻译。

    您好,Alberto,

    您遇到的噪音问题可能与设备的路由有关。 通常,当噪声性能不重要,但需要较低的功耗时,我们建议通过mux将DAC输出直接连接到HP驱动程序。 为获得最佳性能,建议通过混音器路径进行路由。 您能否要求客户通过输出混音器传送输出并查看噪音是否得到改善?  有关此信息的详细参考,请参阅  SLAA749的2.5 部分  

    此致,

     -Diego Mel é ndez López ñ a
      音频应用工程师

  • 请注意,本文内容源自机器翻译,可能存在语法或其它翻译错误,仅供参考。如需获取准确内容,请参阅链接中的英语原文或自行翻译。

    迭戈,

    感谢您的回复。

    客户测试了到输出混音器的路由。

    他们的反馈:

    基本上,您的建议有助于降低30 % 的噪声幅度。

    但当前的200mV p-p值仍然很大。

    我要强调的是,我们在编码解码器coutput上看到的并不是真正的噪音–请看下面的图片。

    从信号波形可以看出此信号是由DAC输出直接生成的-您甚至可以看到信号中的DAC步进。

    但是,当耳罩扬声器播放此信号时,它被视为白色噪音。

    在我看来,这一定是由于DAC生成此类伪噪声信号的设置错误造成的。

    我希望这种行为不会被视为此编解码器的典型行为,否则数据表中所述的SNR值很难实现。

    您能提供您的反馈吗?

    谢谢

    此致

    Alberto

  • 请注意,本文内容源自机器翻译,可能存在语法或其它翻译错误,仅供参考。如需获取准确内容,请参阅链接中的英语原文或自行翻译。

    您好,Alberto,

    感谢您的反馈。 您能否分享客户正在使用的时钟设置? 我 快速查看了寄存器设置,似乎遵循的顺序不是我们通常建议的顺序。 通常,对于这些设备,建议按照以下顺序进行操作,以避免可能出现的弹出/噪音问题:

    1. 提供有效的时钟和电源
    2. 配置内部路由
    3. 打开DAC/ADC的电源
    4. 取消DAC/ADC静音
    5. 打开驱动程序电源并取消其静音。

    我将尝试使用客户代码并查看是否有其他问题,同时,您能否检查更改代码顺序是否有助于解决问题?

    谢谢,此致,

     -Diego Mel é ndez López ñ a
      音频应用工程师

  • 请注意,本文内容源自机器翻译,可能存在语法或其它翻译错误,仅供参考。如需获取准确内容,请参阅链接中的英语原文或自行翻译。
    您好,Diego,

    感谢您的建议,如果我理解正确,则需要在编解码器上设置时钟,然后再设置寄存器,对吗?

    现在客户设置的顺序是:

    1. 已提供电源。
    二. 硬件重置已完成
    3. 通过I2C进行设置:
    注册 值
    0 0x00
    1. 0x80
    7. 0x0A
    43. 0x04
    41. 0x02
    37. 0xE0
    38. 0x10
    47. 0x80
    61. 0x80
    65 0x0D
    51. 0x0D
    19. 0x3F
    22. 0x3F
    15. 0x00
    16. 0x00
    4. 提供时钟并开始数据传输

    接口设置为I2S Standard,频率为16kHz

    测量值为:
    主时钟为4,5MHz
    音频串行数据总线位时钟554kHz
    音频串行数据总线字时钟17,29kHz

    请告诉我您的反馈。
    此致,
    Alberto
  • 请注意,本文内容源自机器翻译,可能存在语法或其它翻译错误,仅供参考。如需获取准确内容,请参阅链接中的英语原文或自行翻译。

    您好,Alberto,

    感谢您的反馈。 正确,建议在配置设备之前提供时钟。 我查看了客户使用的时钟,但时钟组合无效。 根据代码,我了解设备充当从属设备,因此应调整I²S Ω 总线使用的时钟以确保正常运行。 您能否与客户核实他们使用这些时钟值的原因并了解是否可以提供有效的音频时钟? 请参阅  数据表中的10.3 .3.1 音频时钟生成部分,了解如何正确配置此设备的时钟。

    此致,

     -Diego Mel é ndez López ñ a
      音频应用工程师

  • 请注意,本文内容源自机器翻译,可能存在语法或其它翻译错误,仅供参考。如需获取准确内容,请参阅链接中的英语原文或自行翻译。

    迭戈,

    客户可以将SAI的频率精确设置为16 kHz (请参阅下文)。 遗憾的是噪音仍然一样。 这没有什么帮助。 噪声级别最高可达200mV峰值。

    您是否有任何建议,他们可以做些什么来使其更好?

    谢谢,此致,

    Alberto

  • 请注意,本文内容源自机器翻译,可能存在语法或其它翻译错误,仅供参考。如需获取准确内容,请参阅链接中的英语原文或自行翻译。

     问题已在脱机状态下跟进,需要对设备进行时钟配置。

    此致,

     -Diego Mel é ndez López ñ a
      音频应用工程师