This thread has been locked.

If you have a related question, please click the "Ask a related question" button in the top right corner. The newly created question will be automatically linked to this question.

[参考译文] DIT4192:双通道发射器操作

Guru**** 2378650 points
Other Parts Discussed in Thread: DIT4192
请注意,本文内容源自机器翻译,可能存在语法或其它翻译错误,仅供参考。如需获取准确内容,请参阅链接中的英语原文或自行翻译。

https://e2e.ti.com/support/audio-group/audio/f/audio-forum/641963/dit4192-dual-channel-transmitter-operation

部件号:DIT4192

您好,

如果在如下硬件模式下使用几个DIT4192,请告诉我详细的AES3输出帧格式。
假设通道A是左通道输出,通道B是右通道输出,请告诉我每个输出的帧构成。

此致,
加藤

  • 请注意,本文内容源自机器翻译,可能存在语法或其它翻译错误,仅供参考。如需获取准确内容,请参阅链接中的英语原文或自行翻译。
    您好,Kato:

    由于美国的感恩节假期,解决您的查询将会延迟。 下周初,有人将与您联系。
  • 请注意,本文内容源自机器翻译,可能存在语法或其它翻译错误,仅供参考。如需获取准确内容,请参阅链接中的英语原文或自行翻译。

    您好,Kato-San,

    我负责此设备的同事在感恩节假期不在办公室,但他应该能够在下周初解决您的问题。

    请对延迟回复表示歉意。

    此致,

     -Diego Mel é ndez López ñ a
      音频应用工程师

  • 请注意,本文内容源自机器翻译,可能存在语法或其它翻译错误,仅供参考。如需获取准确内容,请参阅链接中的英语原文或自行翻译。

    你好,Tom-San和Diego-San,

    感谢您的及时回复。

    我期待着从你的同事那里得到信息。

    此致,
    加藤

  • 请注意,本文内容源自机器翻译,可能存在语法或其它翻译错误,仅供参考。如需获取准确内容,请参阅链接中的英语原文或自行翻译。

    你好,Tom-San和Diego-San,

    很抱歉催促您,但如果您有任何更新,请告诉我,因为我们的客户正在考虑他是否会采用DIT4192。

    此致,
    加藤

  • 请注意,本文内容源自机器翻译,可能存在语法或其它翻译错误,仅供参考。如需获取准确内容,请参阅链接中的英语原文或自行翻译。
    尊敬的Kato-San:
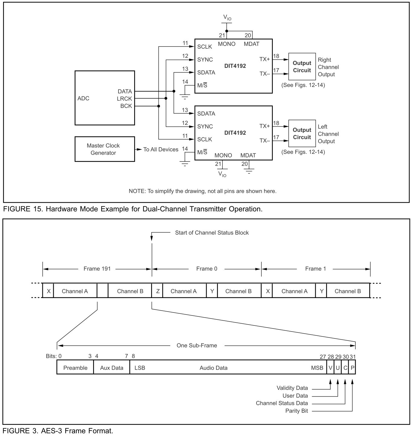
    您概述的第二个图(来自DS)给出了每个帧的精确细分。
    如AES3规范中所定义,每个帧都有两个子帧(A和B,通常用于左右音频通道)。 帧包含64个时隙,每个采样时间生成一次。 这将确定时钟频率。
    每个音频样本(最多24位)都与四个标志位和一个同步前导码组合在一起,该前导码有四个时隙长,可形成一个32个时隙的副架。 在最高级别,每个192个连续帧被分组为音频块。

    希望这澄清了...谢谢。

    此致,
    Ravi
  • 请注意,本文内容源自机器翻译,可能存在语法或其它翻译错误,仅供参考。如需获取准确内容,请参阅链接中的英语原文或自行翻译。

    Ravi-san,您好!

    感谢您的解释。

    如果在单声道模式下使用DIT4192,AES3输出帧格式是否与立体声模式的格式相同?
    如果它们相同,不使用的通道是否输出单声道模式的双极零数据?

    请再给我一个详细的信息。

    此致,
    加藤

  • 请注意,本文内容源自机器翻译,可能存在语法或其它翻译错误,仅供参考。如需获取准确内容,请参阅链接中的英语原文或自行翻译。

    Ravi-san,您好!

    请你也给我你的建议,关于以下的帖子?
    很遗憾,我无法将其移至音频转换器论坛。

    https://e2e.ti.com/support/amplifiers/audio_amplifiers/f/6/t/64.186万

    此致,
    加藤