This thread has been locked.

If you have a related question, please click the "Ask a related question" button in the top right corner. The newly created question will be automatically linked to this question.

[参考译文] LM4.935万:音频编解码器IC可用性查询

Guru**** 2378640 points
请注意,本文内容源自机器翻译,可能存在语法或其它翻译错误,仅供参考。如需获取准确内容,请参阅链接中的英语原文或自行翻译。

https://e2e.ti.com/support/audio-group/audio/f/audio-forum/639977/lm49350-audio-codec-ic-availability-inquiry

部件号:LM4.935万

您好,

-应用程序:Android手机
PCM和I2S接口:2个通道
控制接口:I2C
模拟输入:MIC x 2
模拟输出:扬声器(1.2W / 8Ω Ω),接收器,耳机

我正在寻找用于上述目的的编解码器,我想询问LM4.935万是否可用。

另请检查数据表中的结构图 ,确定是否存在 可执行噪声消除的块。

谢谢!

TS

  • 请注意,本文内容源自机器翻译,可能存在语法或其它翻译错误,仅供参考。如需获取准确内容,请参阅链接中的英语原文或自行翻译。

    TS,您好,

    此设备仍可供使用,以便在满足您的要求时使用。 此设备没有噪音消除块或功能,此功能应在外部处理器中实现。

    此致,

     -Diego Mel é ndez López ñ a
      音频应用工程师

  • 请注意,本文内容源自机器翻译,可能存在语法或其它翻译错误,仅供参考。如需获取准确内容,请参阅链接中的英语原文或自行翻译。
    您好,Diego,
    感谢您的快速回复。
    请检查一件事。

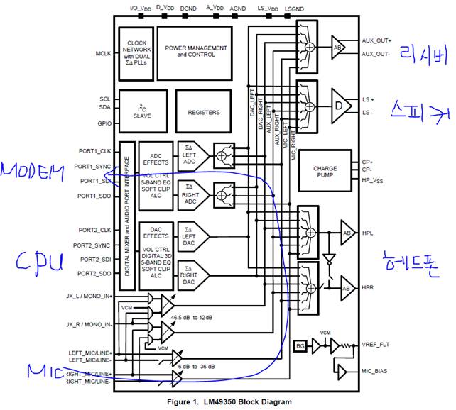
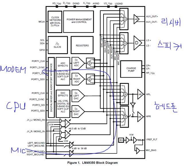
    数据表第一页上的功能表示可以使用两个PCM输入,但随后的方框图和典型应用似乎使用一个作为输入,一个作为输出。

    在上面的结构图中,我需要分别输入两个。
    1.调制解调器的语音呼叫,
    2. CPU中的多媒体,

    请确认LM4.935万提供2通道PCM输入。
    此外,请告诉我您能否更详细地分享PCM相关模块。

    谢谢!
    TS
  • 请注意,本文内容源自机器翻译,可能存在语法或其它翻译错误,仅供参考。如需获取准确内容,请参阅链接中的英语原文或自行翻译。

    TS,您好,

    得益于反馈,该器件能够处理两个不同的PCM输入,并具有一个内部数字混音器,可将输入路由到器件的不同输出。

    遗憾的是,除了数据表中包含的数据块外,我们没有其他PCM相关块。

    此致,

     -Diego Mel é ndez López ñ a
      音频应用工程师

  • 请注意,本文内容源自机器翻译,可能存在语法或其它翻译错误,仅供参考。如需获取准确内容,请参阅链接中的英语原文或自行翻译。


    您好,Diego,

    我们有一些概念更改,因此请再次询问有关音频编解码器的信息。

    我们现正检讨上述两宗个案。

    1)具有回波消除功能的编解码器

    -请检查TI产品中是否有任何推荐产品。

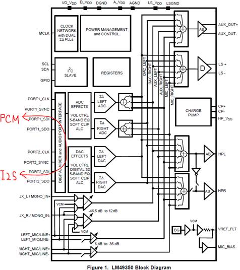
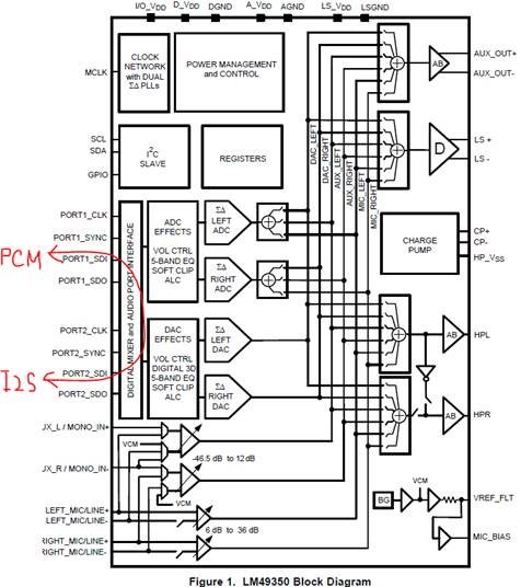
    2)将PCM转换为I2S并使用Qualcomm参考编解码器

    在TI产品中,LM4.937万可以将PCM转换为I2S,但似乎有点昂贵。

    -请检查 我们是否可以使用LM4.935万将PCM转换为I2S (您之前推荐的)。

    谢谢!

    TS

  • 请注意,本文内容源自机器翻译,可能存在语法或其它翻译错误,仅供参考。如需获取准确内容,请参阅链接中的英语原文或自行翻译。

    TS,您好,

    请参阅我在下面的评论:

    1-不幸的是,我们没有能够执行回波抵消功能的器件,我们部件的miniDSP没有能力开发成功的算法。 建议使用外部DSP,您可以在DSP论坛中向我们的同事征求设备建议。

    2- LM4.935万可用作PCM和I²S Ω 接口之间的桥接器,请参阅数据表中的“数字混频器”部分。

    此致,

     -Diego Mel é ndez López ñ a
      音频应用工程师