This thread has been locked.

If you have a related question, please click the "Ask a related question" button in the top right corner. The newly created question will be automatically linked to this question.

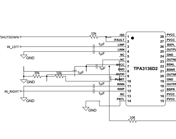
[参考译文] TPA3136AD2:TPA3136AD2示意图

Guru**** 2651865 points
请注意,本文内容源自机器翻译,可能存在语法或其它翻译错误,仅供参考。如需获取准确内容,请参阅链接中的英语原文或自行翻译。

https://e2e.ti.com/support/audio-group/audio/f/audio-forum/629291/tpa3136ad2-tpa3136ad2-schematic-diagram

部件号:TPA3136AD2

你好

是否可以获得清晰的示意图? pdf原理图已损坏。