This thread has been locked.

If you have a related question, please click the "Ask a related question" button in the top right corner. The newly created question will be automatically linked to this question.

[参考译文] TAS2552:在输入电源上切换噪声

Guru**** 2373240 points
Other Parts Discussed in Thread: TAS2552
请注意,本文内容源自机器翻译,可能存在语法或其它翻译错误,仅供参考。如需获取准确内容,请参阅链接中的英语原文或自行翻译。

https://e2e.ti.com/support/audio-group/audio/f/audio-forum/637270/tas2552-switching-noise-on-input-power-supply

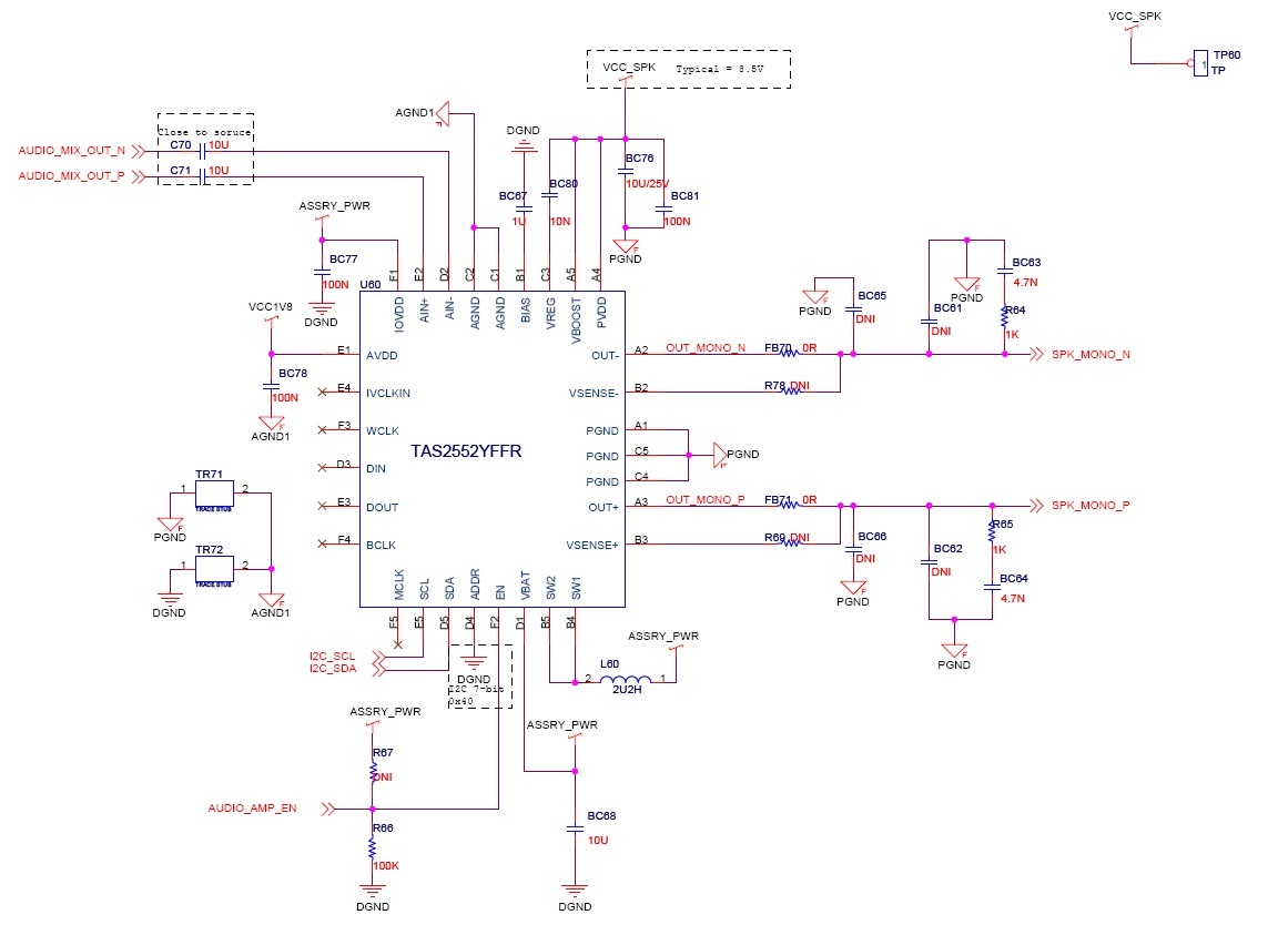
部件号:TAS2552

您好,

 我们恢复了第一 个基于TAS2552的设计,但我们一直在努力解决与噪音相关的问题。

 随附了我们基于TAS2552的设计示意图,输入电源为3.3V,最大电流为2A。  TR71和TR72只是表示连接不同地面平面的迹线的符号。

 即使没有任何音频输入,我们也在输入电源(=ASSRY_PWR)上观察到~800mV峰间切换噪声。  还附加了范围的屏幕截图。  我们尝试增加输入旁路电容器,但似乎没有。  有人有什么建议吗?

  • 请注意,本文内容源自机器翻译,可能存在语法或其它翻译错误,仅供参考。如需获取准确内容,请参阅链接中的英语原文或自行翻译。
    嗨,Chi-wen,

    连接到TAS2552的升压引脚的电感器和电容器与数据表中推荐的电感器和电容器相似或相同?
    建议值见第42-43页表12。

    此致,
    Ivan Salazar
    应用工程师-低功率音频和执行器
  • 请注意,本文内容源自机器翻译,可能存在语法或其它翻译错误,仅供参考。如需获取准确内容,请参阅链接中的英语原文或自行翻译。
    您好Ivan:
    我们使用TDK VLS6045EX-2R2N 2.2uH电感器,DRC = 19 m 欧姆,IDC最大= 7.5A。 我们将10uF用于升压转换输入电容器,10uF用于输出电容器(这低于数据表建议的值)。 即使我们将输出电容器从10uF更改为22uF,情况也没有改善。