This thread has been locked.

If you have a related question, please click the "Ask a related question" button in the top right corner. The newly created question will be automatically linked to this question.

[参考译文] TAS5751M: TAS5751M是否可以并行连接?

Guru**** 2382630 points
Other Parts Discussed in Thread: TAS5751M
请注意,本文内容源自机器翻译,可能存在语法或其它翻译错误,仅供参考。如需获取准确内容,请参阅链接中的英语原文或自行翻译。

https://e2e.ti.com/support/audio-group/audio/f/audio-forum/773671/tas5751m-can-tas5751m-be-connected-in-parallel

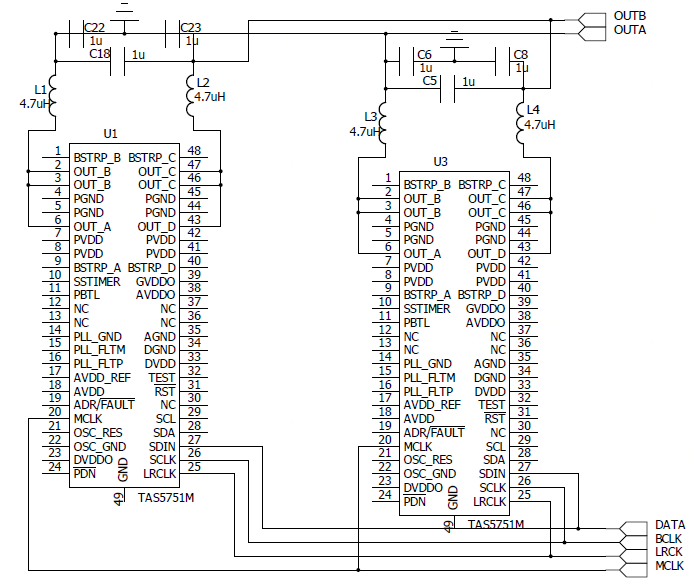
部件号:TAS5751M

    
TAS5751M的PWM信号是否与LRCLK的延迟固定?

如果是固定的,是否可以并行驱动两个TAS5751M来驱动一个1欧姆扬声器?

  • 请注意,本文内容源自机器翻译,可能存在语法或其它翻译错误,仅供参考。如需获取准确内容,请参阅链接中的英语原文或自行翻译。
    您好,客户:

    您能否更清晰地澄清您的问题?

    TAS5751内部具有DSP流程。 您的意思是这个延迟时间吗?
    有关PBTL ,请参阅数据表的第56页:www.ti.com/.../tas5751 m .pdf。

    如数据表第5页所述,PBTL的最小负载阻抗为2欧姆。

    此致,
    Alix Wan。
  • 请注意,本文内容源自机器翻译,可能存在语法或其它翻译错误,仅供参考。如需获取准确内容,请参阅链接中的英语原文或自行翻译。

    感谢您的回复。

    两个5751均在PBTL模式下运行,寄存器配置相同。

    如果5751的PWM输出不是同时的,则会产生额外的功耗。

    我想知道两个5751的PWM输出是否同时为?如果不是,最大时间误差是多少?

  • 请注意,本文内容源自机器翻译,可能存在语法或其它翻译错误,仅供参考。如需获取准确内容,请参阅链接中的英语原文或自行翻译。

    感谢您的回复。

    两个5751均在PBTL模式下运行,寄存器配置相同。

    如果5751的PWM输出不是同时的,则会产生额外的功耗。

    我想知道两个5751的PWM输出是否同时为?如果不是,最大时间误差是多少?

  • 请注意,本文内容源自机器翻译,可能存在语法或其它翻译错误,仅供参考。如需获取准确内容,请参阅链接中的英语原文或自行翻译。
    您好,客户:

    它是两个设备之间的后滤波器PBTL。 我认为这是可行的,但性能不是作为一个设备PBTL生成的。

    此致,
    Alix Wan。
  • 请注意,本文内容源自机器翻译,可能存在语法或其它翻译错误,仅供参考。如需获取准确内容,请参阅链接中的英语原文或自行翻译。
    好的,谢谢!
    巴西,
    标记