This thread has been locked.

If you have a related question, please click the "Ask a related question" button in the top right corner. The newly created question will be automatically linked to this question.

[参考译文] TAS5751M:TAS5751M是否可以并行连接到驱动1欧姆扬声器?

Guru**** 2535150 points


请注意,本文内容源自机器翻译,可能存在语法或其它翻译错误,仅供参考。如需获取准确内容,请参阅链接中的英语原文或自行翻译。

https://e2e.ti.com/support/audio-group/audio/f/audio-forum/774981/tas5751m-can-tas5751m-be-connected-in-parallel-to-drive-1-ohm-speaker

部件号:TAS5751M

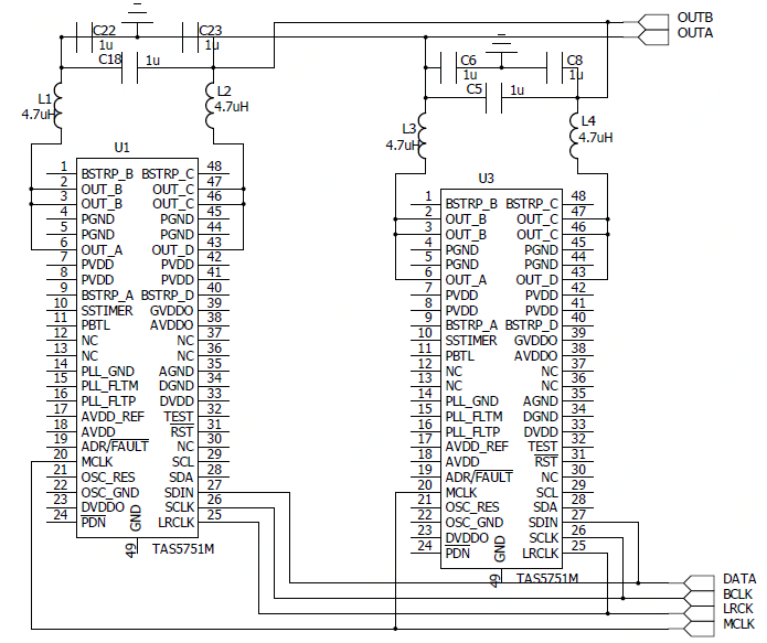
两个5751均在PBTL模式下运行,寄存器配置相同。

如果5751的PWM输出不是同时的,则会产生额外的功耗。

我想知道两个5751的PWM输出是否同时为?如果不是,最大时间误差是多少?

  • 请注意,本文内容源自机器翻译,可能存在语法或其它翻译错误,仅供参考。如需获取准确内容,请参阅链接中的英语原文或自行翻译。
    使用两个TAS5751驱动1欧姆负载的应用程序传感器是什么? 存在热电流和峰值电流触发OC的问题。 TI有一些高功率器件可供选择。
  • 请注意,本文内容源自机器翻译,可能存在语法或其它翻译错误,仅供参考。如需获取准确内容,请参阅链接中的英语原文或自行翻译。
    感谢您的转接。
    由于低音扬声器为4并联,因此每个电阻器为4欧姆。 电感器的直流电阻为90mOhm,将平均每个通道的电流,总电流小于15A,因此OC的可能性不大。 关键是PWM输出应同时出现!
    是否可以同时保证每个5751的PWM输出?
  • 请注意,本文内容源自机器翻译,可能存在语法或其它翻译错误,仅供参考。如需获取准确内容,请参阅链接中的英语原文或自行翻译。

    为什么两个低音扬声器都只有两个安?

  • 请注意,本文内容源自机器翻译,可能存在语法或其它翻译错误,仅供参考。如需获取准确内容,请参阅链接中的英语原文或自行翻译。

    因为扬声器只有两条输入线路。
    PWM信号从5751 DCLK频分获得,DCLK通过PLL锁定MCLK。
    如果给出相同的MCLK,则两个5751 DCLK应仅与小的抖动对齐。 通过电感器后,此错误不应导致问题。 问题是,在5751的内部处理中是否有任何与FIFO相似的东西会导致PWM到LRCK的延迟不确定度,例如10 DCLK和9 DLCK?
  • 请注意,本文内容源自机器翻译,可能存在语法或其它翻译错误,仅供参考。如需获取准确内容,请参阅链接中的英语原文或自行翻译。
    您好,客户:

    一般内容请参阅第19页。 我认为,如果使用共享MCLK,内部时钟和PWM将与MCLK一致。

    在您的系统中进行测试将很有帮助。

    此致,
    Alix Wan。
  • 请注意,本文内容源自机器翻译,可能存在语法或其它翻译错误,仅供参考。如需获取准确内容,请参阅链接中的英语原文或自行翻译。

    好的,我会测试一下。

    谢谢!

    巴西,

    标记