请注意,本文内容源自机器翻译,可能存在语法或其它翻译错误,仅供参考。如需获取准确内容,请参阅链接中的英语原文或自行翻译。
部件号:TLV320AIC3101 尊敬的,
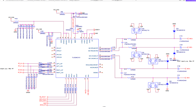
我们使用TLV320AIC3101进行测试,我 发现I2S输入的信号非常小,约为-80dB,DAC输出将有大或小的噪声,波形如下,但DAC静音,没有噪声;信号输入方式是I2S;

下面的示意图,请帮助我检查原因,谢谢

This thread has been locked.
If you have a related question, please click the "Ask a related question" button in the top right corner. The newly created question will be automatically linked to this question.
尊敬的,
我们使用TLV320AIC3101进行测试,我 发现I2S输入的信号非常小,约为-80dB,DAC输出将有大或小的噪声,波形如下,但DAC静音,没有噪声;信号输入方式是I2S;

下面的示意图,请帮助我检查原因,谢谢
