This thread has been locked.

If you have a related question, please click the "Ask a related question" button in the top right corner. The newly created question will be automatically linked to this question.

[参考译文] PCM2902C:有时无法查询声卡芯片

Guru**** 2644665 points

Other Parts Discussed in Thread: PCM2902C

请注意,本文内容源自机器翻译,可能存在语法或其它翻译错误,仅供参考。如需获取准确内容,请参阅链接中的英语原文或自行翻译。

https://e2e.ti.com/support/audio-group/audio/f/audio-forum/1108899/pcm2902c-sometimes-the-sound-card-chip-cannot-be-queried

器件型号:PCM2902C
主题中讨论的其他器件: HID2

大家好、

我的客户无法开机自检,我帮助他执行此操作。

"PCM2902C 在使用中存在以下三个问题
1.声卡芯片不能在多个主板上查询。 请参阅查询记录的附件。 12晶体振荡器正常、我们还使用 USB2.0D + D-进行连接。 该问题主要与电路的该部分有关、应如何检查。


由于单芯片微型计算机的引脚资源有限、我们暂停了 HID0、HID1、HID2和 SSPND。 我们是否可以这样做或采用其他处理方法?

当使用 SEL0和 SEL1两个引脚时、外部3.3V 上拉电阻不符合参考设计、上拉电阻连接到 VDDI 引脚。 这很重要吗?"

非常感谢你的帮助。

此致、

  • 请注意,本文内容源自机器翻译,可能存在语法或其它翻译错误,仅供参考。如需获取准确内容,请参阅链接中的英语原文或自行翻译。

    您好!

    我看不到附件、您可以重新发送吗?

    您可以参考此连接原理图。

    https://www.ti.com/lit/ug/sbau195/sbau195.pdf?ts=1655143441736&ref_url=https%253A%252F%252Fwww.ti.com%252Fproduct%252FPCM2902C

    对于 SEL 引脚、VDDI 引脚正常。

    此致、

  • 请注意,本文内容源自机器翻译,可能存在语法或其它翻译错误,仅供参考。如需获取准确内容,请参阅链接中的英语原文或自行翻译。

    大家好、我是 pdjuandi、

    感谢你的帮助。

    客户更新"我们有20个主板,其中5个主板在查询时无法找到声卡芯 片"

    异常:

    正常:

    此致、

  • 请注意,本文内容源自机器翻译,可能存在语法或其它翻译错误,仅供参考。如需获取准确内容,请参阅链接中的英语原文或自行翻译。

    您好!

    您可以对照上面提供的原理图检查它们的原理图、并要求它们将不工作的单元放置到工作板上并进行测试。

    此致。

  • 请注意,本文内容源自机器翻译,可能存在语法或其它翻译错误,仅供参考。如需获取准确内容,请参阅链接中的英语原文或自行翻译。

    大家好、我是 pdjuandi、

    感谢你能抽出时间。

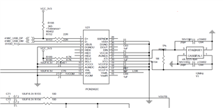
    "随附。原理图,HID0、HID1和 HID2未使用、因此它们被暂停,USBDP、SEL0和 SEL1连接到外部3.3V 上拉电阻、并从5V 至3.3V 芯片输出我们测试了 USB 在上电后有信号、但芯片的 SSPND 始终为低电平。


    "

    谢谢。

    此致、

  • 请注意,本文内容源自机器翻译,可能存在语法或其它翻译错误,仅供参考。如需获取准确内容,请参阅链接中的英语原文或自行翻译。

    请将非工作单元放在工作板上。