Other Parts Discussed in Thread: TAS5751M
https://e2e.ti.com/support/audio-group/audio/f/audio-forum/1060544/tas5751m-no-audio-output
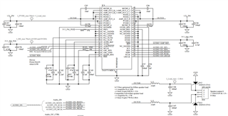
器件型号:TAS5751M您好!
我遇到了与 https://e2e.ti.com/support/audio-group/audio/f/audio-forum/647181/tas5751m-pwm-output-not-changing-between-ad-and-bd-modulation---no-audio-output/2379818#2379818类似的问题 、即所有输入信号和配置似乎都是正确的、但输出信号不包含任何音频信息、仅包含 PWM 信号。
遗憾的是、解决方案(固定焊接)不适用、因为所有焊接都已检查且正常。
TAS5751M 不生成任何输出音频信号的原因可能是什么?
提前感谢您的帮助、
此致、
