Other Parts Discussed in Thread: TLV320AIC3106, AM4378
请注意,本文内容源自机器翻译,可能存在语法或其它翻译错误,仅供参考。如需获取准确内容,请参阅链接中的英语原文或自行翻译。
https://e2e.ti.com/support/audio-group/audio/f/audio-forum/984192/tlv320aic3106-master-clock-source
器件型号:TLV320AIC3106主题中讨论的其他器件: AM4378
我正在使用 AM437x 和 TLV320AIC3106音频编解码器开发系统。
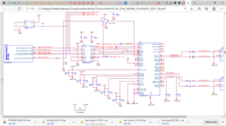
在文档"音频器件的音频串行接口配置"(slaa469a.pdf)中、它们不建议使用独立主时钟(请参阅图像)、但在 ARM MPU AM4378通用 EVM 中、它们使用此配置(请参阅图像)。
应该使用哪种配置?
每种配置的优点或缺点是什么?
非常感谢。

