This thread has been locked.

If you have a related question, please click the "Ask a related question" button in the top right corner. The newly created question will be automatically linked to this question.

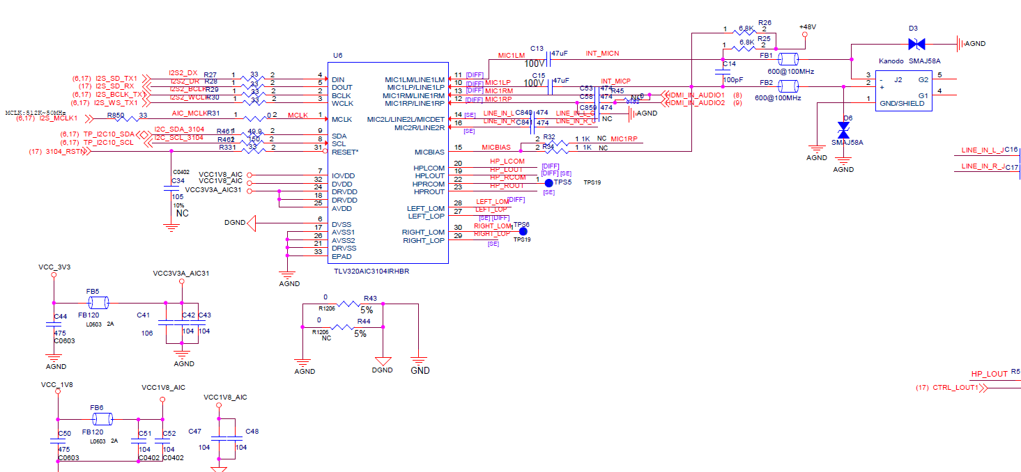
[参考译文] TLV320AIC3104:TLV320AIC3104IRHBR 查看原理图

Guru**** 2539500 points


请注意,本文内容源自机器翻译,可能存在语法或其它翻译错误,仅供参考。如需获取准确内容,请参阅链接中的英语原文或自行翻译。

https://e2e.ti.com/support/audio-group/audio/f/audio-forum/996473/tlv320aic3104-tlv320aic3104irhbr-review-schematic-diagram

器件型号:TLV320AIC3104

引脚中线路的失调电压损坏异常、两个引脚的失调电压为0V 和1V;正常偏置电压应约为1.35V、请帮助查看原理图

  • 请注意,本文内容源自机器翻译,可能存在语法或其它翻译错误,仅供参考。如需获取准确内容,请参阅链接中的英语原文或自行翻译。

    尊敬的 Kevin:

    原理图中没有什么让我感到特别的。 您是否仅在标记为线路输入的输入(引脚14和16)上看到此情况? 或者您是否在所有输入引脚上都看到过这种情况? 如果您仅在引脚14和16上看到这种情况、您是否尝试移除 C840和 C841并直接探测输入引脚以查看偏置电压是否仍然低于其预期值?

    此致、

    Aaron Estrada  

  • 请注意,本文内容源自机器翻译,可能存在语法或其它翻译错误,仅供参考。如需获取准确内容,请参阅链接中的英语原文或自行翻译。

    亚伦:

    这是修订后的原理图。 请检查一下。

  • 请注意,本文内容源自机器翻译,可能存在语法或其它翻译错误,仅供参考。如需获取准确内容,请参阅链接中的英语原文或自行翻译。

    尊敬的 Kevin:

    我看到您使用的是+48V 电源。 您的系统是否需要幻象供电?

    您能否确认异常偏置电压是否来自使用+48V 电源连接的输入? 如果是这样、来自+48V 的瞬态可能会进入编解码器的输入端并冻结内部电路。  

    关于原理图、R32和 R34是否仍然未连接?

    此致、

    Aaron