This thread has been locked.

If you have a related question, please click the "Ask a related question" button in the top right corner. The newly created question will be automatically linked to this question.

[参考译文] TAS2770:建议的扬声器输出滤波?

Guru**** 2585275 points
Other Parts Discussed in Thread: TAS2770, TAS2770EVM

请注意,本文内容源自机器翻译,可能存在语法或其它翻译错误,仅供参考。如需获取准确内容,请参阅链接中的英语原文或自行翻译。

https://e2e.ti.com/support/audio-group/audio/f/audio-forum/900605/tas2770-recommended-speaker-output-filtering

器件型号:TAS2770

您好!

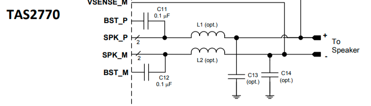
我将围绕 TAS2770设计一个放大器电路、驱动8欧姆扬声器、并查看了数据表和评估模块原理图、并有两个问题:

数据表应用电路显示了扬声器输出端的可选 LC 滤波器。  您能否推荐这些组件应该具有什么价值、在什么情况下它们会有所帮助?

TAS2770EVM 原理图(第13页)没有 LC 输出滤波器、但扬声器输出端有0欧姆电阻。  这是为什么、它比 LC 滤波器更受欢迎?

以下是评估模块和数据表原理图中显示差异的代码段:

评估模块:

 。  

数据表:

谢谢、

Josh

  • 请注意,本文内容源自机器翻译,可能存在语法或其它翻译错误,仅供参考。如需获取准确内容,请参阅链接中的英语原文或自行翻译。

    大家好、Joshua、

    LC 滤波器组件不会放置在数据表中、因为它们可能会因您的应用和所需的频率响应而异。 有关如何计算滤波器组件值的详细信息、我建议查看此应用手册的第3.5节:

    http://www.ti.com/lit/an/slaa701a/slaa701a.pdf#page=12

    对于0欧姆电阻器、放置该电阻器用于评估或测量。 移除该电阻器可连接万用表以进行电流测量或任何其他评估。 它没有性能提升。

    如果您有其他问题或意见、请告诉我。

    此致、
    Luis Fernando Rodríguez S.

  • 请注意,本文内容源自机器翻译,可能存在语法或其它翻译错误,仅供参考。如需获取准确内容,请参阅链接中的英语原文或自行翻译。

    约书亚、

    此外、您还可以查看 LC 滤波器计算器。

    此致、
    Luis Fernando Rodríguez S.

  • 请注意,本文内容源自机器翻译,可能存在语法或其它翻译错误,仅供参考。如需获取准确内容,请参阅链接中的英语原文或自行翻译。

    谢谢、Luis。  该应用手册非常好。

    Josh