This thread has been locked.

If you have a related question, please click the "Ask a related question" button in the top right corner. The newly created question will be automatically linked to this question.

[参考译文] TLV320AIC3268:原理图审阅请求

Guru**** 2486525 points


请注意,本文内容源自机器翻译,可能存在语法或其它翻译错误,仅供参考。如需获取准确内容,请参阅链接中的英语原文或自行翻译。

https://e2e.ti.com/support/audio-group/audio/f/audio-forum/879949/tlv320aic3268-schematic-review-request

器件型号:TLV320AIC3268

您好!

您能否检查随附的原理图中是否有任何缺失?

此致、

Nicky

e2e.ti.com/.../Schematic.pptx

  • 请注意,本文内容源自机器翻译,可能存在语法或其它翻译错误,仅供参考。如需获取准确内容,请参阅链接中的英语原文或自行翻译。

    尼基  

    所有未使用的模拟输入都可以连接在一起并通过单个电容器进行端接。  建议使用0.1-0.47uf。  

    2.codec_line_out 应具有某种无源 LPF、以便在输出进入 D 类放大器之前从输出中滤除带外噪声。  

    如果您不使用 D 类放大 器、将该电源连接到3.3V 并使用更少/更小的去耦电容器可能是合理的。 为您节省一些电路板空间和成本。  

    -Steve Wilson

  • 请注意,本文内容源自机器翻译,可能存在语法或其它翻译错误,仅供参考。如需获取准确内容,请参阅链接中的英语原文或自行翻译。

    您好、Steve、

    还有其他问题。

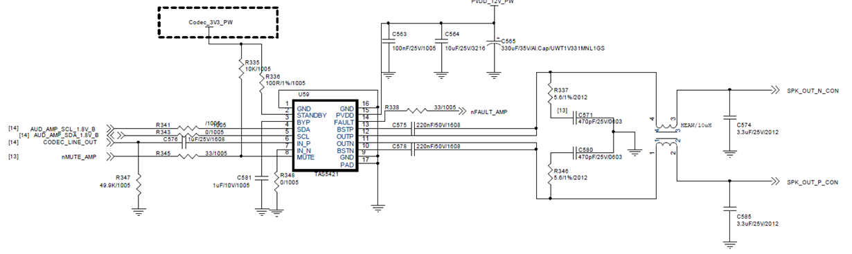
    2.codec_line_out 应具有某种无源 LPF、以便在输出进入 D 类放大器之前从输出中滤除带外噪声。   

      => LPF 在连接的 D 类 AMP 输入之前组成。 此 LPF 是否足够?

    如果您不使用 D 类放大 器、将该电源连接到3.3V 并使用更少/更小的去耦电容器可能是合理的。 为您节省一些电路板空间和成本。  

     =>根据连接情况使用 D 类放大器。 那么、编解码器电源不需要更改为3.3V?

    请参阅随附的 D 类放大器原理图。

    此致、

    Nicky

  • 请注意,本文内容源自机器翻译,可能存在语法或其它翻译错误,仅供参考。如需获取准确内容,请参阅链接中的英语原文或自行翻译。

    尼基

    RE2 -建议使用 LPF  

    我指的是 AIC3262中的 D 类放大器。  如果您不使用它、SPK_VDD 可连接到3.3。  不是很大的问题,因为你没有使用它...  

    此致、

    -Steve Wilson