This thread has been locked.

If you have a related question, please click the "Ask a related question" button in the top right corner. The newly created question will be automatically linked to this question.

[参考译文] TLV320AIC3106:如何打开 ADC

Guru**** 2535750 points
Other Parts Discussed in Thread: TLV320AIC3106

请注意,本文内容源自机器翻译,可能存在语法或其它翻译错误,仅供参考。如需获取准确内容,请参阅链接中的英语原文或自行翻译。

https://e2e.ti.com/support/audio-group/audio/f/audio-forum/896800/tlv320aic3106-how-to-turn-adc

器件型号:TLV320AIC3106

尊敬的所有人:

 是否有任何有关如何为 TLV320AIC3106设置 ADC 路径的参考示例? 我现在可以通过 IC 播放声音。 但我已经工作了数月、仍然只能打开旁路模式(从 Line2L 直接到 LEFT_LOP/M)

此致、

Sin Shu Kei

  • 请注意,本文内容源自机器翻译,可能存在语法或其它翻译错误,仅供参考。如需获取准确内容,请参阅链接中的英语原文或自行翻译。

    Sin Shu Kei、您好!

    遗憾的是,没有示例可以设置输入--> DOUT 路径。 如果您让我详细了解您想要实现的目标、我可以发送一些寄存器配置来帮助您入门。  

    此致、

    Aaron Estrada

  • 请注意,本文内容源自机器翻译,可能存在语法或其它翻译错误,仅供参考。如需获取准确内容,请参阅链接中的英语原文或自行翻译。

    尊敬的 埃斯特拉达:

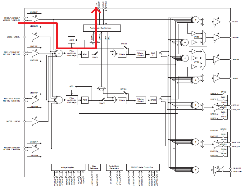
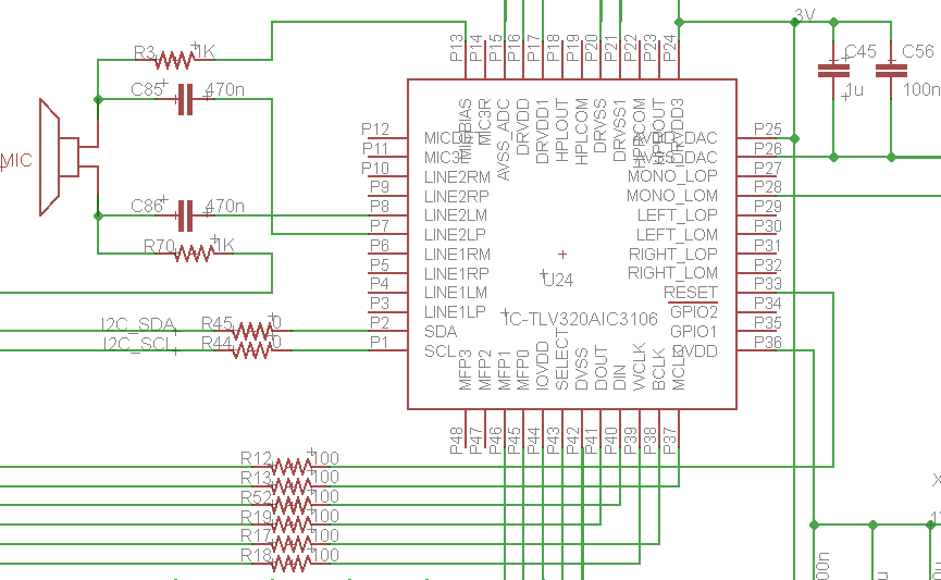
     请在附件中找到我的 sch、code 和一张图片、以展示我想要实现的目标。 我面临两个主要问题

     1.我找不到方框图和寄存器之间的关系。 有许多开关、我无法将它们与相关位匹配(例如:R40的位4-5、R80的位7和 R108的位2&3之间有何差异?)

     2.如何调试设置? 我只能看到最终输出

     感谢您的帮助:)

    此致、

    Sin Shukei

  • 请注意,本文内容源自机器翻译,可能存在语法或其它翻译错误,仅供参考。如需获取准确内容,请参阅链接中的英语原文或自行翻译。

     Sin Shukei、您好!

    诚然、有相当多的寄存器、跟踪您正在执行的操作可能会有点令人生畏。 遗憾的是、随着您查看数据表、这种情况只会随着时间的推移而变得更好。

    我添加了一个方框图、其中显示了内部块及其各自的寄存器。 这在确定需要对哪些寄存器进行编程方面应该会更有帮助。 乍一看、您似乎正在为 ADC 正确供电、路由 LINE2L 和取消 PGA 静音。 我确实注意到、您还将 LINE1L 连接到当前未使用的 LADC。 请将0x7C 写入寄存器19。 此外、未使用的输入应通过0.47uF 电容器连接到 GND、并且不应悬空或不应直接连接到 GND。  e2e.ti.com/.../0160.AIC3106_5F00_Block_5F00_Diagram_2800_0-9_2900_.pdf

    由于 ADC 看起来处于开启状态且 PGA 处于取消静音状态、您能告诉我您在输出中看到的是什么吗? 如果您可以提供一些示波器捕获、则一些示波器捕获会很有帮助。 此外、您能否提供有关您提供的 CLK 的更多信息? 我看到您正在使用 PLL、并希望确保 PLL 已正确配置。 MCLK、BCLK、WCLK 和 DOUT 的一些示波器捕获也会有所帮助。 由于您能够使用旁路路径、因此我们可以将 I2C 通信交叉作为一个问题。  

    此致、

    Aaron

  • 请注意,本文内容源自机器翻译,可能存在语法或其它翻译错误,仅供参考。如需获取准确内容,请参阅链接中的英语原文或自行翻译。

    尊敬的 Aaron:

     非常感谢您的帮助:)方框图非常有用。 我将学习并稍后重试

     由于我现在使用 Cortex-M3 MCU 来控制编解码器、根据 MCU 的数据表、MCLK 时钟为48000 x 256 = 12.288MHz、这符合我的测量要求。 请找到我的测量结果

    MCLK

    BCLK

    WCLK

    R108 = 0x0C

    R108 =复位值

  • 请注意,本文内容源自机器翻译,可能存在语法或其它翻译错误,仅供参考。如需获取准确内容,请参阅链接中的英语原文或自行翻译。

     Sin Shu Kei、您好!

    MCLK 是否看起来失真? 这是为什么? 范围限制?

    如果 MCLK 为12.288MHz、则不需要 PLL。 如果 PLL 被禁用、FS (ref)= CLKDIV_IN/(128*Q)。 在本例中、fs (ref)= 48000Hz、CLKDIV_IN = 12.288MHz、则 Q 需要等于2。

    此致、
    Aaron

  • 请注意,本文内容源自机器翻译,可能存在语法或其它翻译错误,仅供参考。如需获取准确内容,请参阅链接中的英语原文或自行翻译。

    尊敬的 Aaron:

     我的示波器是中国制造的50MHz 示波器。 所以可能有一些限制:)

     很抱歉、还有一个问题。 我尝试逐步解决问题。 根据方框图、可通过更改 R20 = 0、R40 = 0x30、R80 = 0x80且 R86 = 0x08将信号直接输出到 LOPM (请参阅下面方框图中的红色路径)。 但我不能这么做。 我错过了什么吗? 我发现有一个多路复用器(或混频器?) 方框图中(以蓝色圆圈表示)。 但我在 SFR 中找不到它。 DAC 关闭后、它是否会自动切换到处于先前状态的混频器?

  • 请注意,本文内容源自机器翻译,可能存在语法或其它翻译错误,仅供参考。如需获取准确内容,请参阅链接中的英语原文或自行翻译。

     Sin Shu Kei、您好!

    看起来输出未完全加电。 您能不能将0x09写入寄存器。 86? 在数据表中、它指出该位是只读位、但这实际上是一个错误。 寄存器86和96的位 D0为 R/W、应设置为1、以便为各自的输出驱动器供电。 由此给您带来的不便、我们深表歉意。