This thread has been locked.

If you have a related question, please click the "Ask a related question" button in the top right corner. The newly created question will be automatically linked to this question.

[参考译文] TPA3111D1:有关 TPA3111的几个问题

Guru**** 2539080 points


请注意,本文内容源自机器翻译,可能存在语法或其它翻译错误,仅供参考。如需获取准确内容,请参阅链接中的英语原文或自行翻译。

https://e2e.ti.com/support/audio-group/audio/f/audio-forum/928920/tpa3111d1-several-questions-about-tpa3111

器件型号:TPA3111D1

尊敬的:

由于"故障"引脚可用于显示短路或直流检测故障。 那么、如何区分这两个故障呢?

2. SD、AVCC 和 PVCC 之间是否需要上电序列?

3."要清除直流检测、必须对 PVCC 电源进行循环"、"对于短路故障、可以通过将 SD 引脚循环至低电平状态来清除锁存器。" 那么、我想知道是否可以通过循环 PVCC 电源来清除短路故障?

  • 请注意,本文内容源自机器翻译,可能存在语法或其它翻译错误,仅供参考。如需获取准确内容,请参阅链接中的英语原文或自行翻译。

    您好、Jiayu、

    TPA3111没有 用于区分故障的寄存器。

    我们建议在所有电源准备就绪之前将 SDZ 拉至高电平。

    循环 PVCC 电源可以清除所有故障。

    此致、

    Derek  

  • 请注意,本文内容源自机器翻译,可能存在语法或其它翻译错误,仅供参考。如需获取准确内容,请参阅链接中的英语原文或自行翻译。

    尊敬的 Derek:

    非常感谢。

  • 请注意,本文内容源自机器翻译,可能存在语法或其它翻译错误,仅供参考。如需获取准确内容,请参阅链接中的英语原文或自行翻译。

    尊敬的 Derek:

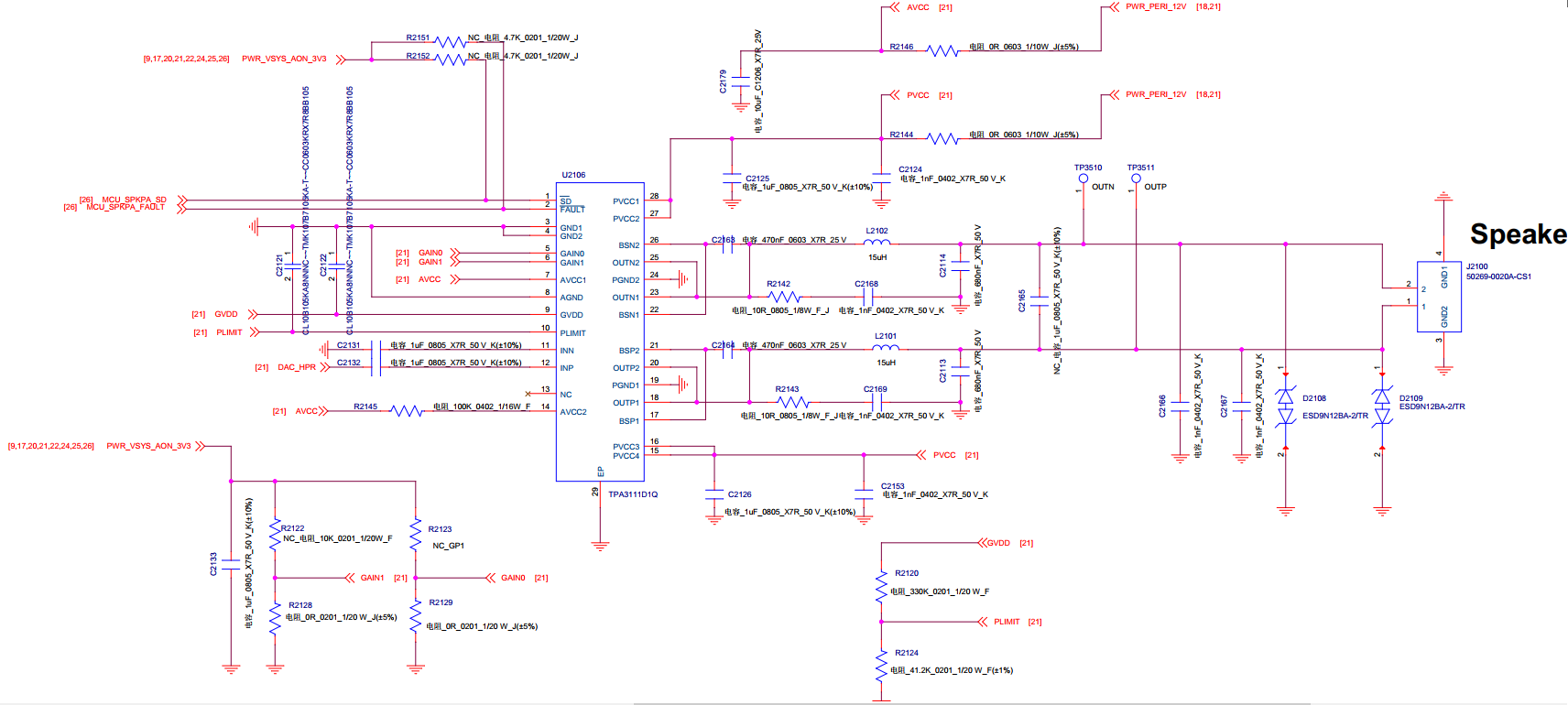
    (1)下面是此设计的 sch 和 Block。 借助 TI 编解码 器 TLV320DAC3203IRGER 和 TI PA  TPA3111D1Q, 您对此设计有何意见或顾虑? 具体来说、这两个器件之间的连接是什么?

  • 请注意,本文内容源自机器翻译,可能存在语法或其它翻译错误,仅供参考。如需获取准确内容,请参阅链接中的英语原文或自行翻译。

    您好、Jiayu、

    输出功率是多少?

    R2144是0603尺寸、对吧? PVDD 上的尺寸太小、我建议您将其移除并使用电源平面或迹线。

    此致、

    Derek