https://e2e.ti.com/support/audio-group/audio/f/audio-forum/922529/tpa3255-tpa3255-1-x-btl
器件型号:TPA3255主题中讨论的其他器件: NE5532、 OPA1632
您好;
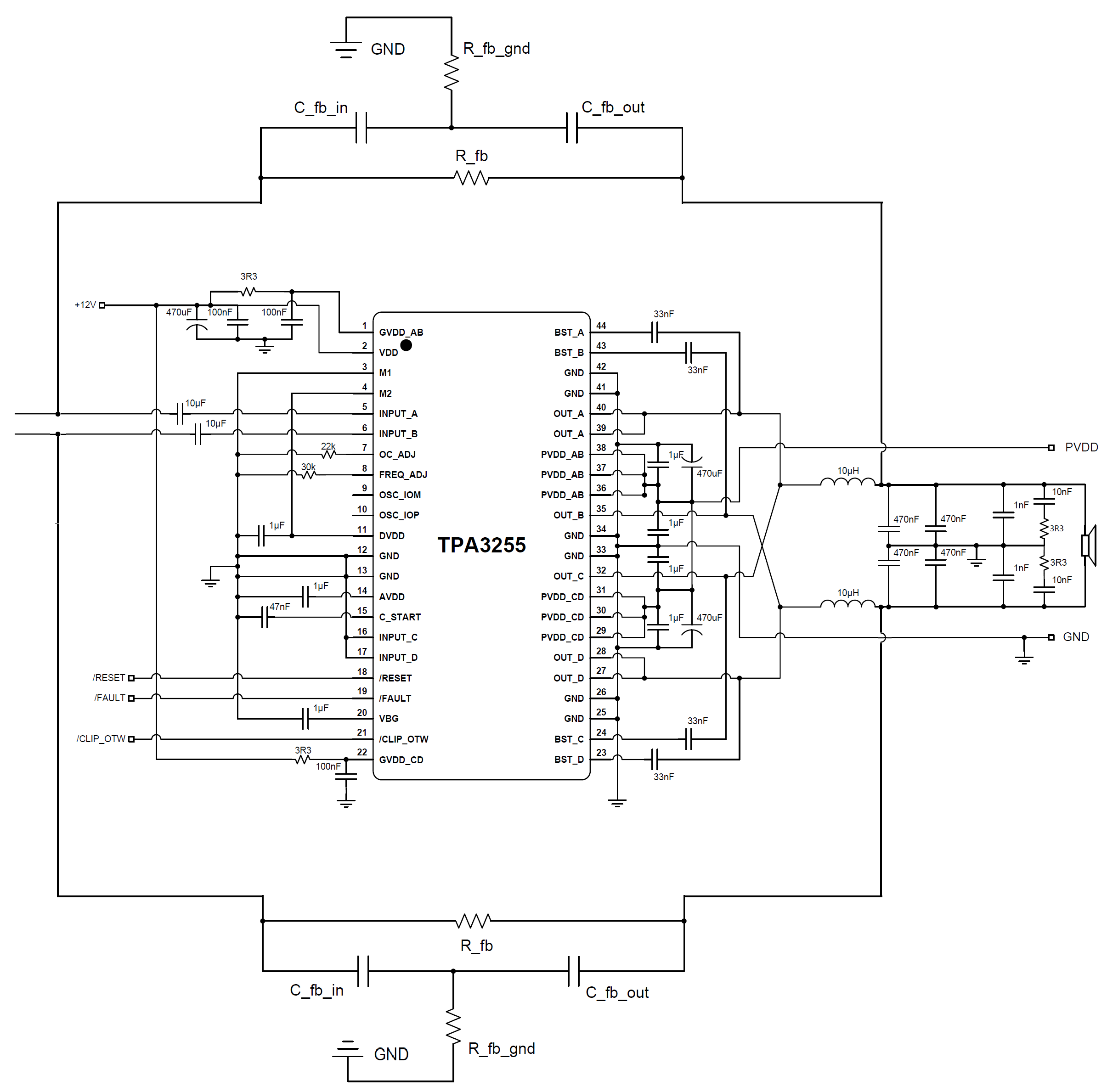
最新 TPA3255数据表中的表1。 我看到新增了1个 xBTL 选项。 因此、在此配置中、数据表中不存在典型应用图。
1) 1)如果我使用此配置、那么我将使用 OUT_C (引脚32)、 PVDD_CD (引脚29、30、31)、OUT_D (引脚27、 28)、BTS_C (引脚24)、BTS_D (引脚23)
2) 2) PBTL 和1x BTL 都在单声道模式下工作、因此 1X BTL 比 PBTL 具有哪些优势?


