请注意,本文内容源自机器翻译,可能存在语法或其它翻译错误,仅供参考。如需获取准确内容,请参阅链接中的英语原文或自行翻译。
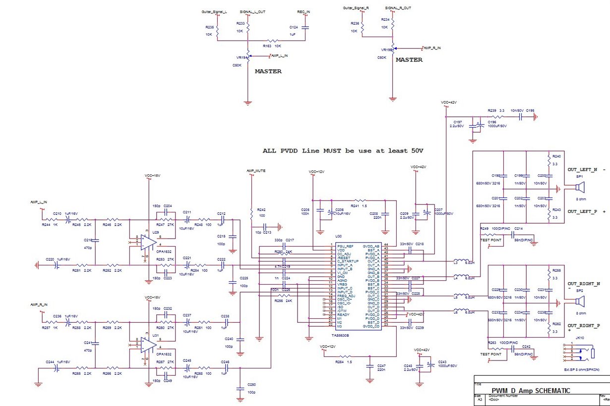
器件型号:TAS5630B 降级器、
我们使用 TAS5630BPHDR 来驱动2个扬声器、在使用过程中、某些扬声器会发生损坏。
我们测试 这种现象是:
TAS5630B 的四个输出引脚(OUT_A/B/C/D)、其中一个引脚短接至自身 GND (GND_A/B/C/D)。
2.引脚-17 (/SD)置为高电平。 
3.引脚19 (就绪)没有输出。
PVDD 为42V、
每个扬声器为8欧姆/150W;
PWM 频率为400KHZ;
输出模式为 BD 模式。
我们使用 TAS5630B 制造了将近500件、 而50件则有这个问题。
我无法理解。
如何进行调试?
提前感谢您。
				