This thread has been locked.

If you have a related question, please click the "Ask a related question" button in the top right corner. The newly created question will be automatically linked to this question.

[参考译文] TPA3251:能否在每个输出端子上添加两个肖特基二极管?

Guru**** 2418950 points
Other Parts Discussed in Thread: TPA3251

请注意,本文内容源自机器翻译,可能存在语法或其它翻译错误,仅供参考。如需获取准确内容,请参阅链接中的英语原文或自行翻译。

https://e2e.ti.com/support/audio-group/audio/f/audio-forum/960234/tpa3251-can-two-schottky-diodes-be-added-to-each-output-terminal

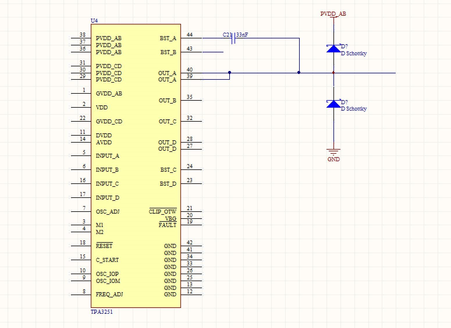
器件型号:TPA3251

尊敬的 TI:

我设计了使用 TPA3251/TPA3155的评估板。  能否向每个输出端子(OUTPUT A、OUTPUT B、OUTPUT C 和 OUTPUT D)添加两个肖特基二极管、如下图所示? 因此、来自输出端子的高电平调制信号等于 PVDD_AB、来自输出端子的低电平调制信号等于 GND。 非常感谢!

此致、

月海。

  • 请注意,本文内容源自机器翻译,可能存在语法或其它翻译错误,仅供参考。如需获取准确内容,请参阅链接中的英语原文或自行翻译。

    您好!

    我会说是的、您可以在那里添加两个肖特基二极管;但是、这不是为了将输出电压保持在 PVDD-GND 范围内。  

    D 类放大器本质上具有 PVDD-GND 之间的摆幅范围。 在某些应用中添加二极管的实际目的是提高效率、因为肖特基二极管在死区时间内具有比内部功率 FET 更低的正向压降。

    通常 TPA3251不需要它。 如果您坚持添加肖特基二极管、请确保所选二极管具有足够的电流能力。

    谢谢!

    此致、

    Sam