This thread has been locked.

If you have a related question, please click the "Ask a related question" button in the top right corner. The newly created question will be automatically linked to this question.

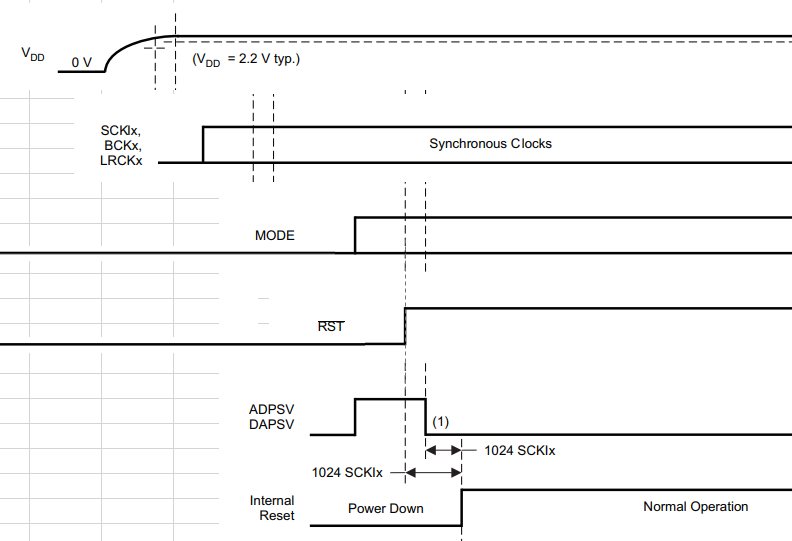
[参考译文] PCM3060:时钟输入时序

Guru**** 2638655 points
请注意,本文内容源自机器翻译,可能存在语法或其它翻译错误,仅供参考。如需获取准确内容,请参阅链接中的英语原文或自行翻译。

https://e2e.ti.com/support/audio-group/audio/f/audio-forum/956577/pcm3060-clock-input-timing

部件号:PCM3060

您好!

是否允许以下启动序列(时钟输入时序)?

此致、

Kuramochi

  • 请注意,本文内容源自机器翻译,可能存在语法或其它翻译错误,仅供参考。如需获取准确内容,请参阅链接中的英语原文或自行翻译。

    您好!

    是的、但我们建议在通过 SPI/I2C 与器件通信以设置 ADPSV/DAPSV 寄存器之前、等待 RST 为"1"。