This thread has been locked.

If you have a related question, please click the "Ask a related question" button in the top right corner. The newly created question will be automatically linked to this question.

[参考译文] TPA6133A2:耳机输出中存在异常噪声、大约60%的产品在生产过程中出现异常噪声。

Guru**** 2526700 points
Other Parts Discussed in Thread: TPA6133A2

请注意,本文内容源自机器翻译,可能存在语法或其它翻译错误,仅供参考。如需获取准确内容,请参阅链接中的英语原文或自行翻译。

https://e2e.ti.com/support/audio-group/audio/f/audio-forum/794842/tpa6133a2-there-is-abnormal-noise-in-the-output-of-the-headset-and-about-60-of-the-products-have-abnormal-noise-in-the-production-process

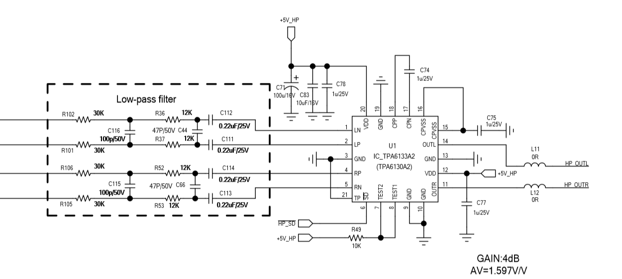
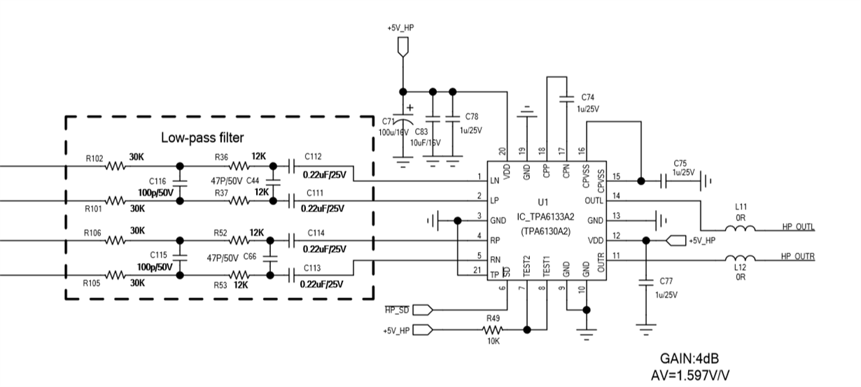
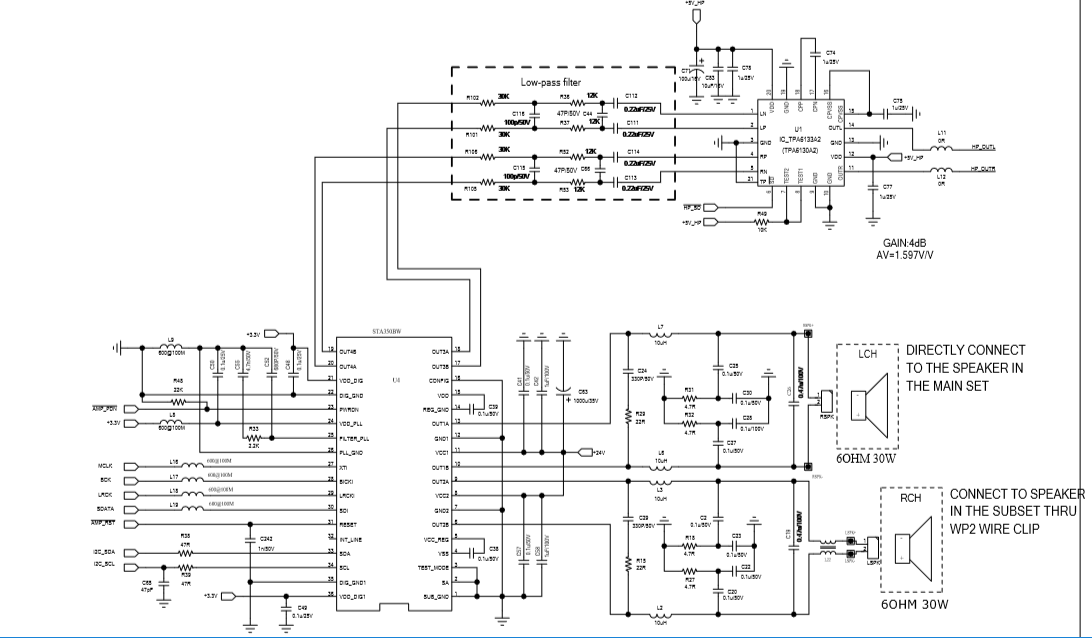
器件型号:TPA6133A2

耳机输出中有异常噪音、大约60%的产品在生产过程中有异常噪音。
异常噪声与 TPA6133A2的温度有关。 当芯片温度升高时、将消除异常噪声。
从下面的测试波形可以看出、
在大约28摄氏度的室温下测试的尖峰、
加热后、峰值偏移并消除异常噪声

  • 请注意,本文内容源自机器翻译,可能存在语法或其它翻译错误,仅供参考。如需获取准确内容,请参阅链接中的英语原文或自行翻译。

  • 请注意,本文内容源自机器翻译,可能存在语法或其它翻译错误,仅供参考。如需获取准确内容,请参阅链接中的英语原文或自行翻译。

  • 请注意,本文内容源自机器翻译,可能存在语法或其它翻译错误,仅供参考。如需获取准确内容,请参阅链接中的英语原文或自行翻译。
    您好、Clark、

    您能否提供有关这方面的更多详细信息?

    -您是否测量了电源中的噪声级别? 我是说、当您看到输出端的噪声时、您是否在电源上看到同样的行为?
    -您能否仅使用 TPA6133A2进行噪声测量? 我的意思是、您能否断开电路的其余部分并将其断电、然后仅使用 TPA6133A2? 这只是为了隔离 TPA6133A2级的根本原因。

    此致、
    Luis Fernando Rodríguez S.
  • 请注意,本文内容源自机器翻译,可能存在语法或其它翻译错误,仅供参考。如需获取准确内容,请参阅链接中的英语原文或自行翻译。
    我消除了外设干扰、
    TPA6133A2单独分开。
    测试信号输入(1-2-4-5引脚)正常
    当 TPA6133A2通过时、引脚11-14将显示图中的噪声
  • 请注意,本文内容源自机器翻译,可能存在语法或其它翻译错误,仅供参考。如需获取准确内容,请参阅链接中的英语原文或自行翻译。
    Clark、

    电源中是否也存在噪声问题?

    此外、您是否在未连接扬声器的情况下测试了电路? 当输出端没有扬声器时、您是否具有相同的噪声结果?

    此致、
    Luis Fernando Rodríguez S.
  • 请注意,本文内容源自机器翻译,可能存在语法或其它翻译错误,仅供参考。如需获取准确内容,请参阅链接中的英语原文或自行翻译。
    您好、Clark

    您对此问题是否有任何反馈? 您是否尝试了我的上述建议?

    此致、
    Luis Fernando Rodríguez S.
  • 请注意,本文内容源自机器翻译,可能存在语法或其它翻译错误,仅供参考。如需获取准确内容,请参阅链接中的英语原文或自行翻译。
    您好、Clark、

    到目前为止、我将关闭此 E2E 主题。 如果您有其他问题或意见、请告诉我。 如果问题仍然存在、您可以在此主题中发布您的观察结果。

    此致、
    Luis Fernando Rodríguez S.
  • 请注意,本文内容源自机器翻译,可能存在语法或其它翻译错误,仅供参考。如需获取准确内容,请参阅链接中的英语原文或自行翻译。
    • 电源没有噪音问题

  • 请注意,本文内容源自机器翻译,可能存在语法或其它翻译错误,仅供参考。如需获取准确内容,请参阅链接中的英语原文或自行翻译。
    Clark、

    此外、您是否在未连接扬声器的情况下测试了电路? 当输出端没有扬声器时、您是否具有相同的噪声结果?

    此致、
    Luis Fernando Rodríguez S.
  • 请注意,本文内容源自机器翻译,可能存在语法或其它翻译错误,仅供参考。如需获取准确内容,请参阅链接中的英语原文或自行翻译。
    仍然会有噪声
  • 请注意,本文内容源自机器翻译,可能存在语法或其它翻译错误,仅供参考。如需获取准确内容,请参阅链接中的英语原文或自行翻译。
    您好、Clark、

    您可以尝试在扬声器输出端添加 EMI 滤波器吗? 类似于以下文档的第3节:

    www.ti.com/.../slaa581.pdf

    此致、
    Luis Fernando Rodríguez S.