This thread has been locked.

If you have a related question, please click the "Ask a related question" button in the top right corner. The newly created question will be automatically linked to this question.

[参考译文] TPA3113D2:TPA3113 DC 检测将导致无声音输出

Guru**** 2478765 points


请注意,本文内容源自机器翻译,可能存在语法或其它翻译错误,仅供参考。如需获取准确内容,请参阅链接中的英语原文或自行翻译。

https://e2e.ti.com/support/audio-group/audio/f/audio-forum/818324/tpa3113d2-tpa3113-dc-detect-will-cause-no-sound-output

器件型号:TPA3113D2

TI 团队:

我们的 IPC 产品可用于您的 TPA3113器件型号,现在出现了问题,如下所示

我们的产品具有 播放/停止按钮、上电后、按播放按钮发出正常声音、按下停止按钮后再按播放按钮、TPA3113无输出、测试故障引脚处于低电平。  需要重新启动才能将其删除,请为我提供帮助

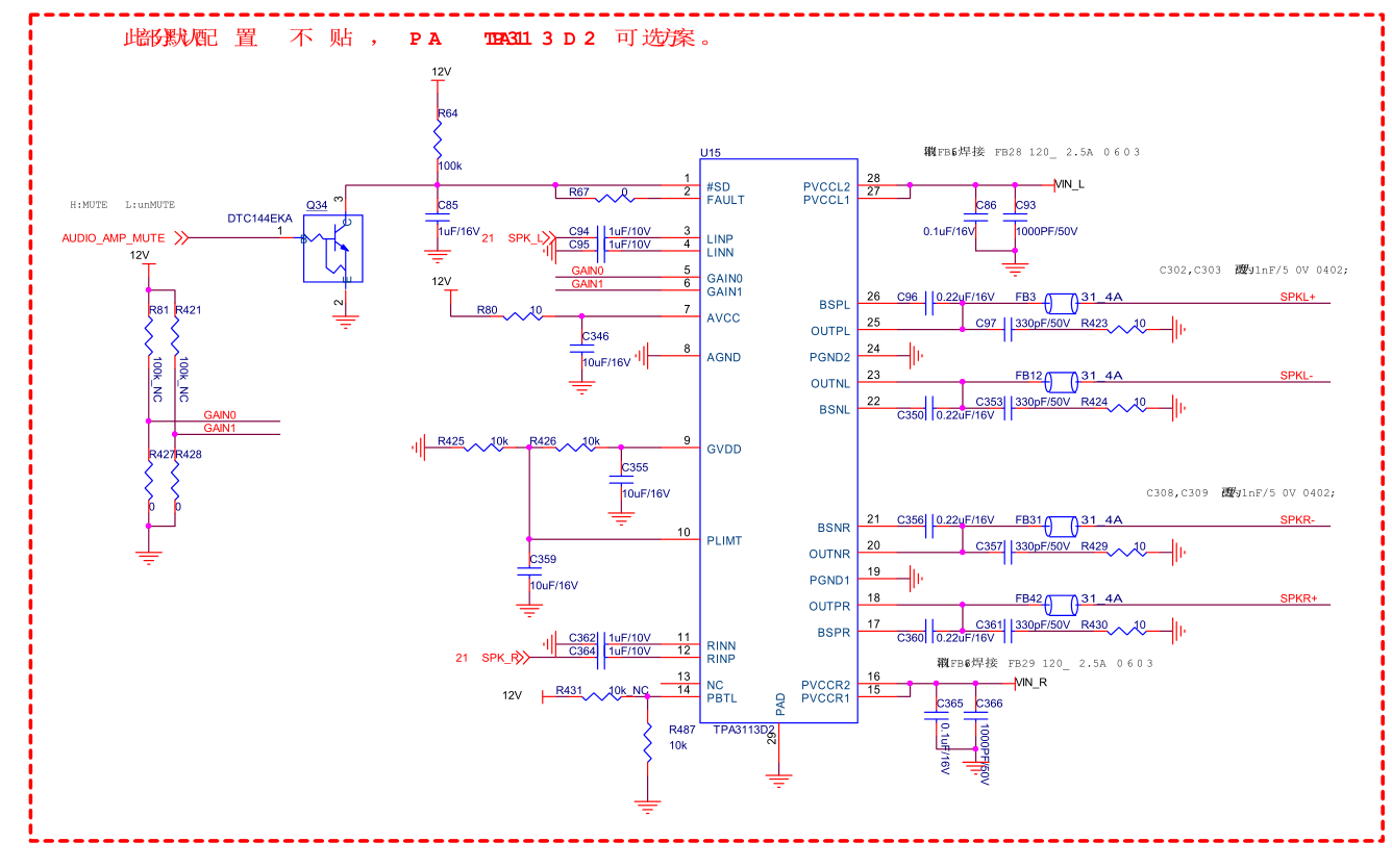
电路图如下:

TPA3113按下启动按钮后的输入信号波形(测试)

按下 STOP 后的 TPA 3113输入波形

  • 请注意,本文内容源自机器翻译,可能存在语法或其它翻译错误,仅供参考。如需获取准确内容,请参阅链接中的英语原文或自行翻译。

    黄色是输入信号。

  • 请注意,本文内容源自机器翻译,可能存在语法或其它翻译错误,仅供参考。如需获取准确内容,请参阅链接中的英语原文或自行翻译。

    您好、Chunqiu、

    从图2中可以看到、为什么输入电压为负?  输入是在输入引脚上还是在 C94电容器的左侧捕获?

    FAULT 和 SD 引脚连接在一起、因此当故障发生时、器件可以自动恢复。

    发生 问题时、FAULT 引脚是否始终为低电平?  如果是、这毫无意义。 此外、请在发生问题时检查电源、以避免发生 UV。

    Derek、

    此致  

  • 请注意,本文内容源自机器翻译,可能存在语法或其它翻译错误,仅供参考。如需获取准确内容,请参阅链接中的英语原文或自行翻译。

    尊敬的 Yanming:

    从图2中可以看到、为什么输入电压为负?  输入是在输入引脚上还是在 C94电容器的左侧捕获?

    这是,电容器后的信号

    C364&C94近编解码器最终添加了10K 下拉电阻、输入信号非常稳定、可以解决按下暂停键、播放键、暂停键无声音的问题。然而、在经过3-4天的70度高温测试后、没有声音问题。 测试输出为0V、GVDD 脚部电压为5V、无法恢复。 它需要关闭电源才能恢复。 将 R426修改为0r、C97、R423、C353、R424、 C357、R429、C361、R430至 REMOVE、27、 28、15、16 引脚添加100uF 电容器、 70度高温测试也将在3-4天内进行。Pleae 给出了一些建议。

    谢谢

    Cq.LV

  • 请注意,本文内容源自机器翻译,可能存在语法或其它翻译错误,仅供参考。如需获取准确内容,请参阅链接中的英语原文或自行翻译。

    您好 Chunqiu,

    根据您的描述、我认为 OC 是触发的。

    VIN_L 和 VIN_R 上是否有任何磁珠或电感器? 如果是、请检查磁珠或电感器速率电流。 将速率电流增加到4A、然后重试。

    2.检查 IN+和 IN-之间是否不匹配。 已检查直流块电容器之后的器件引脚。

    输出端磁珠(FB3、FB12、FB31、FB42)的速率电流是多少?

     由于按下停止按钮然后按下播放按钮、输出和电源将出现高峰值电流。

    Derek、

    此致