您好!
我的客户正在使用此器件、如下所示:
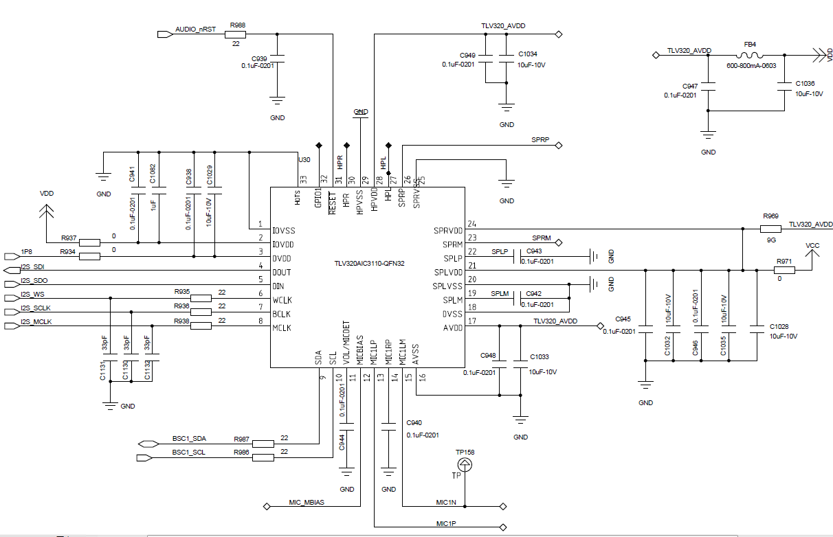
它们仅对扬声器和耳机使用 SPRM 和 SPRP。
未连接耳机时、针脚3/6和针脚4/5连接到一个扬声器。
连接耳机后、扬声器断开连接、引脚3/6通过左侧耳机连接到 GND、引脚4/5通过右侧耳机连接到 GND。
现在、当 I2S 和耳机未连接音频源输入时、音量调节到最大值时、我们可以听到很小的噪声。
但是、使用扬声器时不存在该噪声、我认为由于扬声器上的差分信号、因此可以消除该噪声。
1.将耳机连接到设备的扬声器输出有什么风险(SPRM、SPRP)?
2.我们是否可以通过软件消除噪声? 我们如何才能实现这一目标?
由于我不熟悉音频设备、请告诉我是否需要更多信息来解决噪声问题。


