This thread has been locked.

If you have a related question, please click the "Ask a related question" button in the top right corner. The newly created question will be automatically linked to this question.

[参考译文] TLV320AIC3109-Q1:TLV320AIC3109-Q1工作原理和测试详细信息

Guru**** 2482105 points
Other Parts Discussed in Thread: TLV320AIC3109-Q1

请注意,本文内容源自机器翻译,可能存在语法或其它翻译错误,仅供参考。如需获取准确内容,请参阅链接中的英语原文或自行翻译。

https://e2e.ti.com/support/audio-group/audio/f/audio-forum/860298/tlv320aic3109-q1-tlv320aic3109-q1-working-principle-and-test-details

器件型号:TLV320AIC3109-Q1

您好!

我想知道 I2C 总线传输的数据、以及对工作原理的详细描述。 需要核实的内容和应注意的细节

此致、

Robert

  • 请注意,本文内容源自机器翻译,可能存在语法或其它翻译错误,仅供参考。如需获取准确内容,请参阅链接中的英语原文或自行翻译。

    您好!

    数据表中的第7.5节提供 了有关使用 I2C 通信的详细信息。

    此致、

    Aaron

  • 请注意,本文内容源自机器翻译,可能存在语法或其它翻译错误,仅供参考。如需获取准确内容,请参阅链接中的英语原文或自行翻译。

    您好!

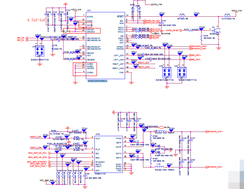
    如果您对 TLV320AIC3109-Q1的音频产品执行功能测试、应测试哪些项目、是否有详细介绍? EMC 和射频设计中应注意的事项。 附件是 TLV320AIC3109-Q1的应用原理图

    此致、

    Robert