This thread has been locked.

If you have a related question, please click the "Ask a related question" button in the top right corner. The newly created question will be automatically linked to this question.

[参考译文] TAS5755M:PBTL 模式24V/2ohm /50W 关断

Guru**** 2524550 points
Other Parts Discussed in Thread: TAS5755M

请注意,本文内容源自机器翻译,可能存在语法或其它翻译错误,仅供参考。如需获取准确内容,请参阅链接中的英语原文或自行翻译。

https://e2e.ti.com/support/audio-group/audio/f/audio-forum/858600/tas5755m-pbtl-mode-24v-2ohm-50w-shutdown

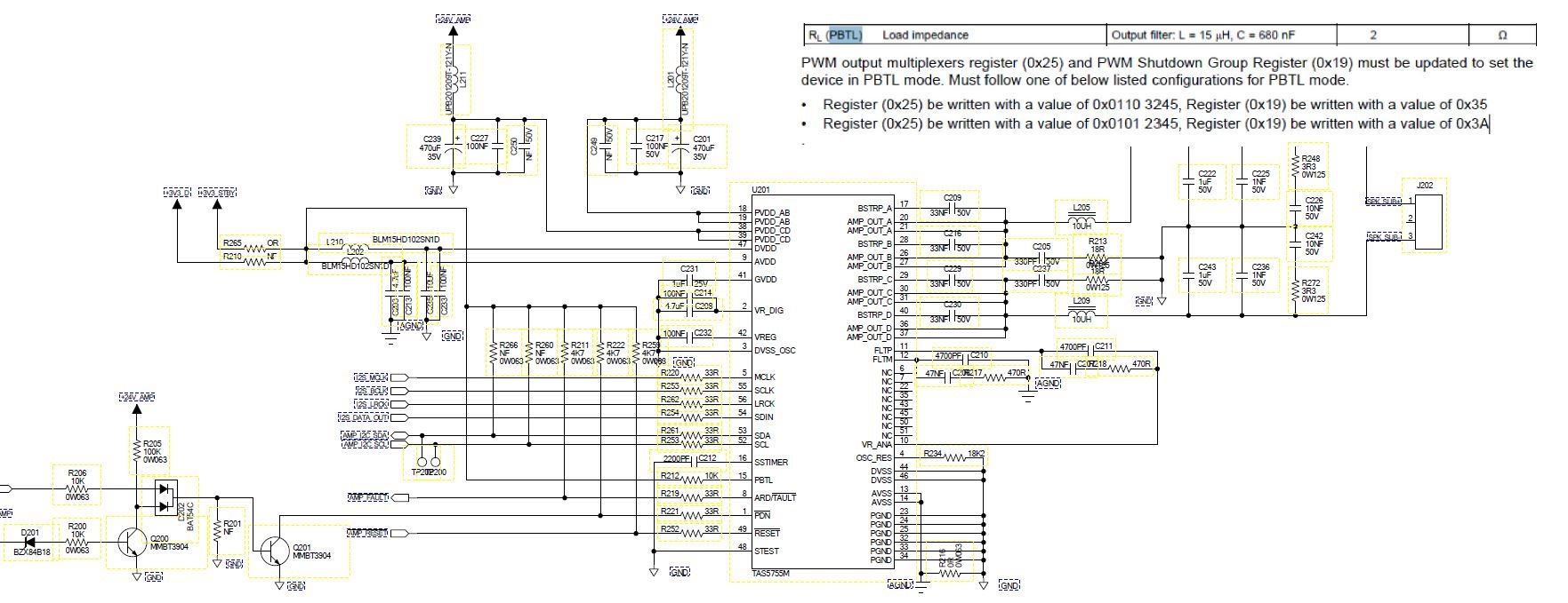
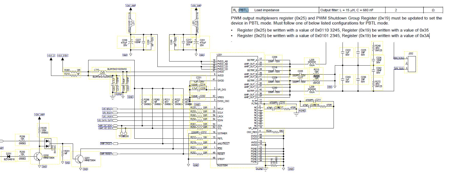
器件型号:TAS5755M

降级:

   当我们使用 TAS5755M 执行 PBTL 模式24V/2ohm /50W 时,发现它将在功率达到50W 时关闭, 您能  帮助检查原理图吗? 谢谢。

  • 请注意,本文内容源自机器翻译,可能存在语法或其它翻译错误,仅供参考。如需获取准确内容,请参阅链接中的英语原文或自行翻译。

    大家好、Haiwen、

    您能否通过读回数据表第47页的0x02来检查错误状态寄存器?

    我想我们可以用这个价值来分析根本原因。  

    此致、

    Alix Wan。