This thread has been locked.

If you have a related question, please click the "Ask a related question" button in the top right corner. The newly created question will be automatically linked to this question.

[参考译文] TLV320ADC3101:在 ADc3101中敲击麦克风连接器时发出噪声

Guru**** 2535150 points
Other Parts Discussed in Thread: TLV320ADC3101, TLV320AIC3101

请注意,本文内容源自机器翻译,可能存在语法或其它翻译错误,仅供参考。如需获取准确内容,请参阅链接中的英语原文或自行翻译。

https://e2e.ti.com/support/audio-group/audio/f/audio-forum/809763/tlv320adc3101-noise-sound-when-knock-the-microphone-connector-in-adc3101

器件型号:TLV320ADC3101
主题中讨论的其他器件: TLV320AIC3101

客户使用 TLV320ADc3101作为麦克风输入。 他们报告了未连接麦克风时的情况、只是敲击麦克风连接器 、然后会听到一些爆震噪音。  

即使 没有麦克风连接且只敲击  麦克风连接器、是否有任何理论支持此噪声场景?

  • 请注意,本文内容源自机器翻译,可能存在语法或其它翻译错误,仅供参考。如需获取准确内容,请参阅链接中的英语原文或自行翻译。

    Peter、  

    您能否共享原理图?  麦克风是 SE 还是 Diff?  

    此致、

    -Steve Wilson

  • 请注意,本文内容源自机器翻译,可能存在语法或其它翻译错误,仅供参考。如需获取准确内容,请参阅链接中的英语原文或自行翻译。

    您好、Steve、

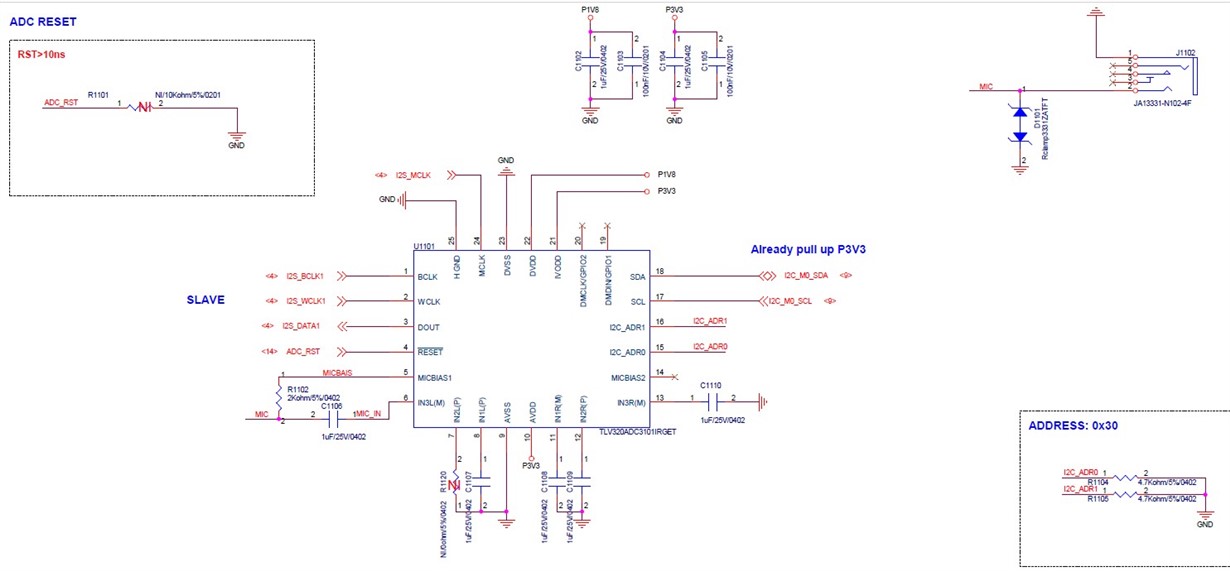
    我随附原理图和产品照片、其中显示了终端客户爆震麦克风(ADC 输入节点)和噪声问题报告的位置。

    它们在单端使用 ADC3101 (仅左通道启用、而不是将 ADC 通道静音)。 如果 ADC 静音、则会消除爆震噪声问题。

    问题  

    1) 1)它是否由于噪声(爆震 麦克风= ADC 输入节点)而从 ADC 进入 HDMI 和电视扬声器输出?

    2) 2)如果是、则没有真正 的麦克风(ADC 输入节点)连接、通过 ADC 产生的噪音(麦克风敲击声)会是什么情况?  

    3)看起来、爆震 ADC 输入节点会转换一些东西来产生噪声。 您能告诉我为什么? 我无法解释这种情况

  • 请注意,本文内容源自机器翻译,可能存在语法或其它翻译错误,仅供参考。如需获取准确内容,请参阅链接中的英语原文或自行翻译。

    Peter、  

    是的、 这是有道理的、 但这不是编解码器问题。  问题是、具有浮动输入引脚且它们没有对此采取任何措施。  

    他们应该做的是使用编解码器的内置麦克风检测功能。  然后、他们的处理器可以轮询麦克风检测寄存器、当未检测到麦克风时、他们可以将 PGA 静音。  

    如果它们要具有类似的悬空引脚、则在发生 ESD 事件时还应该使用一些限流电阻器。  

    此致、

    -Steve Wilson

  • 请注意,本文内容源自机器翻译,可能存在语法或其它翻译错误,仅供参考。如需获取准确内容,请参阅链接中的英语原文或自行翻译。

    您好、Steve、

    如您所述、他们可以使用编解码器的内置麦克风检测功能、然后他们的处理器可以轮询麦克风检测寄存器、当未检测到麦克风时、他们可能已将 PGA 静音。  您能告诉我 ADC3101上的哪个寄存器是指麦克风检测吗? 我在 ADc3101数据表的寄存器映射中看不到此功能。

    BTW、"敲击动作"与麦克风路径中的"真正"电信号接触不同、噪声来自什么?  这是由振动还是耦合引起的?

    感谢您的教学。

  • 请注意,本文内容源自机器翻译,可能存在语法或其它翻译错误,仅供参考。如需获取准确内容,请参阅链接中的英语原文或自行翻译。

    您好、Peter、  

    我的错误、我想到的是 TLV320AIC3101。  这是 ADC、 在该器件上没有微检测功能。  

    另一种选择是使用具有高阻抗电阻器和 GPIO 的开关类型输入插孔、如下所示:

    这适用于耳机、但类似的电路也适用于麦克风输入并在系统处理器上使用 GPIO。  

    您可以肯定、它不是"真实"的电信号、 但它是一个悬空引脚、PGA 可能具有相当大的增益。  因此、引脚将很容易地拾取干扰。  这是机械千斤顶、SMT 组件和 PCB 的振动。  这不是意外行为。

    此致、

    -Steve Wilson

  • 请注意,本文内容源自机器翻译,可能存在语法或其它翻译错误,仅供参考。如需获取准确内容,请参阅链接中的英语原文或自行翻译。

    您好、Peter 和 Steve、

    是否可以帮助检查寄存器中的输入选择?

    (第0页的寄存器52、54、55、57)

    对于我们的项目、我认为我们应该将"ifferential_pair"设置为"0"。

    这些值是否正确?

    if (adc3101->different_pair ==1){
    PR_INFO ("%s"差分对\n"、__func__);
    SND_SoC_WRITE (编解码器、ADC3101_LMICPGANIN、0x33);//54
    SND_SoC_WRITE (编解码器、ADC3101_RMICPGANIN、0x33);//57
    SND_SoC_WRITE (编解码器、ADC3101_LMICPGAPIN、0x3F);//52
    SND_SoC_WRITE (编解码器、ADC3101_RMICPGAPIN、0x3F);//55
    }否则{
    PR_INFO ("%s"单端\n"、__func__);
    SND_SoC_WRITE (编解码器、ADC3101_LMICPGANIN、0x3F);//54
    SND_SoC_WRITE (编解码器、ADC3101_RMICPGANIN、0x3F);//57
    SND_SoC_WRITE (编解码器、ADC3101_LMICPGAPIN、0xCF);//52
    SND_SoC_WRITE (编解码器、ADC3101_RMICPGAPIN、0xCF);//55

  • 请注意,本文内容源自机器翻译,可能存在语法或其它翻译错误,仅供参考。如需获取准确内容,请参阅链接中的英语原文或自行翻译。

    很抱歉、这些寄存器位于 1....not PAGE 0中

  • 请注意,本文内容源自机器翻译,可能存在语法或其它翻译错误,仅供参考。如需获取准确内容,请参阅链接中的英语原文或自行翻译。

    Kerwin、  

     

    您共享的寄存器对我来说很好。  我可能还会保留 IN2P 作为单端输入、这对我来说更有意义、 但这实际上是您需要做出的设计决定。  

    此致、

    -Steve Wilson