This thread has been locked.

If you have a related question, please click the "Ask a related question" button in the top right corner. The newly created question will be automatically linked to this question.

[参考译文] LM49350:数字混频器和回放速度控制

Guru**** 2523310 points
Other Parts Discussed in Thread: LM49350, TLV320AIC3262

请注意,本文内容源自机器翻译,可能存在语法或其它翻译错误,仅供参考。如需获取准确内容,请参阅链接中的英语原文或自行翻译。

https://e2e.ti.com/support/audio-group/audio/f/audio-forum/738269/lm49350-digital-mixer-and-playback-speed-control

器件型号:LM49350

尊敬的团队:

我们的客户正在寻找一种可以将两个数字信号混合到一个的器件、他还希望控制播放速度和音量。 输入接口可以是 I2S 或 PCM。 输出信号用于驱动扬声器。 在此应用中、有两个音频文件。 客户希望将其混合为一个、并调整其播放速度(快进或快退)和输出音量。

我发现 LM49350具有数字混频器功能、但它似乎不能将两个 I2S 信号混合成一个信号。 它是第一个用于 ADC 的 I2S、第二个用于 DAC 的 I2S。

我还注意到、TLV320AIC3262可能会将两个 I2S 混合为一个、并且它还可以调节音量。 但我不知道如何使用 TLV320AIC3262调节播放速度。

你有什么想法吗?  

感谢您的提前帮助。

此致

Ricardo

  • 请注意,本文内容源自机器翻译,可能存在语法或其它翻译错误,仅供参考。如需获取准确内容,请参阅链接中的英语原文或自行翻译。

    Ricardo、

    我不确定是什么给您留下了 LM49350不能混合2个 I2S 信号的印象,当然可以。  如果您不使用 ADC 或 DAC、则可以混合使用 I2S 线路并将其发送到其中一个 I2S 输出。  

    速度控制需要由某种处理器进行控制。

    此致、

    -Steve Wilson

  • 请注意,本文内容源自机器翻译,可能存在语法或其它翻译错误,仅供参考。如需获取准确内容,请参阅链接中的英语原文或自行翻译。

    您好、Steve、

    感谢你的帮助。

    两个 I2S 信号可以混合为一并发送到 DAC、然后模拟信号可用于驱动耳机或扬声器。 配置如下所示。 我是对的吗?

    我不熟悉音频设备。 如果我想使用处理器控制播放速度、我需要调整哪个参数? 或者、我是否需要在处理器内创建新的音频文件?

    此致、

    Ricardo

  • 请注意,本文内容源自机器翻译,可能存在语法或其它翻译错误,仅供参考。如需获取准确内容,请参阅链接中的英语原文或自行翻译。

    Ricardo、

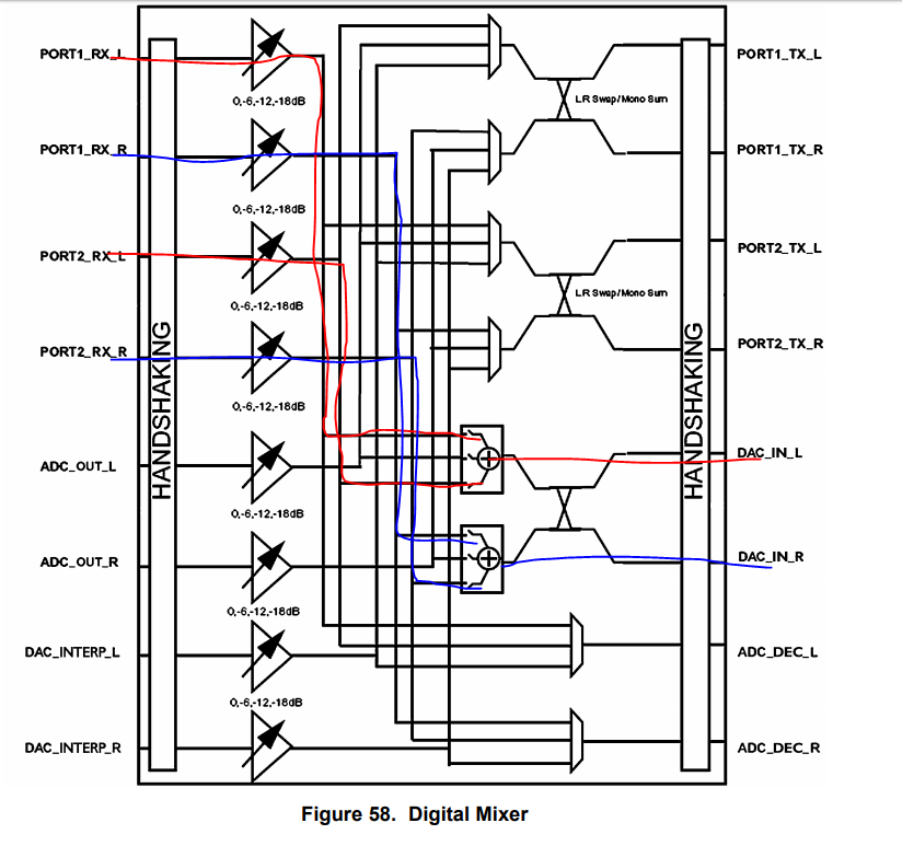
    您的路由图是正确的。  请记住、如果您混合两个音频源、则最好衰减每个音频源以避免使数字混频器失真。  

    我附加了更新后的数字混频器图、可能更易于阅读。

    关于回放速度、 这是我的专业知识领域之外的、我想这将取决于您使用的操作系统、 可能有音频库允许您控制回放速度、 但这只是我的猜测而已。  

    -Steve Wilson

    e2e.ti.com/.../LM49352_5F00_Digital_5F00_Mixer.pdf

  • 请注意,本文内容源自机器翻译,可能存在语法或其它翻译错误,仅供参考。如需获取准确内容,请参阅链接中的英语原文或自行翻译。

    Steve、

    您的回答非常有用。 感谢您的建议。

    此致、

    Ricardo