请注意,本文内容源自机器翻译,可能存在语法或其它翻译错误,仅供参考。如需获取准确内容,请参阅链接中的英语原文或自行翻译。
器件型号:TLV320AIC3104 工具/软件:Code Composer Studio
您好 TI 团队、
您能帮我们查看以下问题吗?谢谢!
如下所示
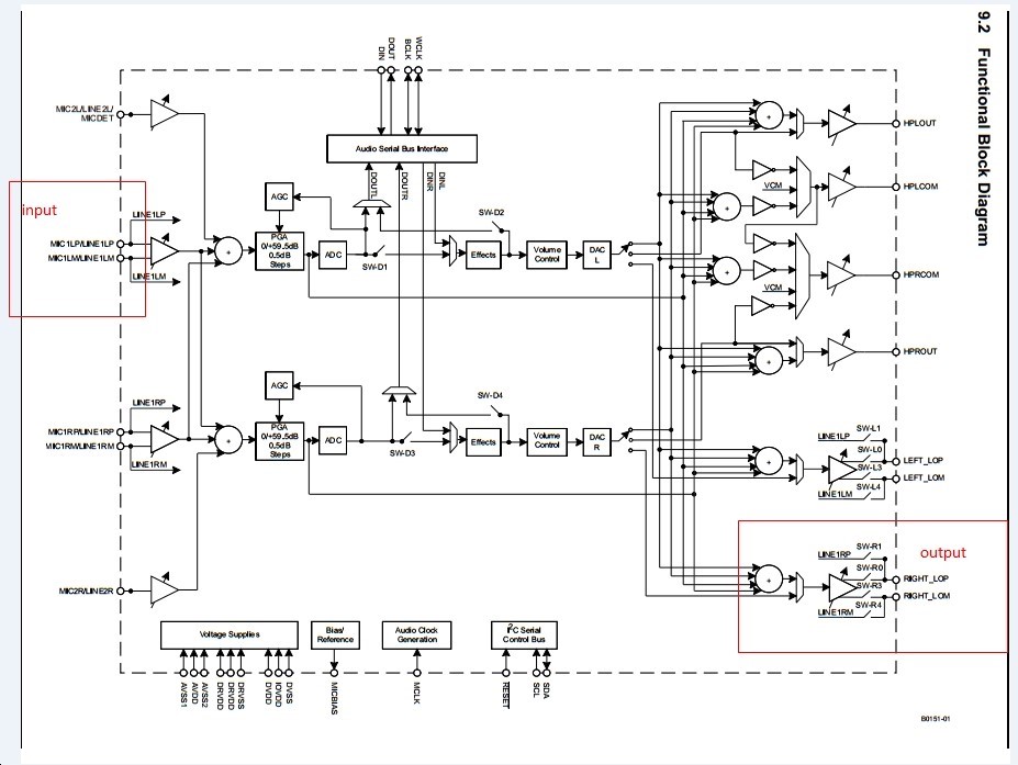
首先、MIC1左侧输入,RIGHT _LOP/M 输出
更改了 μ:
已使用两个通道,一个 MIC1左侧输入至 RIGHT _LOP/M 输出,两个 MIC1右侧输入至 LEFT_LOP/M 输出
目前、配置 input2通道时、intput1的输入无法关闭、同时有两个麦克风输入。
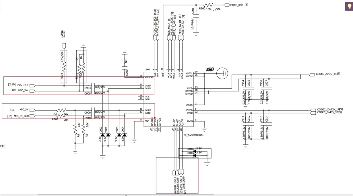
配置寄存器如下所示



