请注意,本文内容源自机器翻译,可能存在语法或其它翻译错误,仅供参考。如需获取准确内容,请参阅链接中的英语原文或自行翻译。
https://e2e.ti.com/support/audio-group/audio/f/audio-forum/718292/tpa3118d2-fault-issue
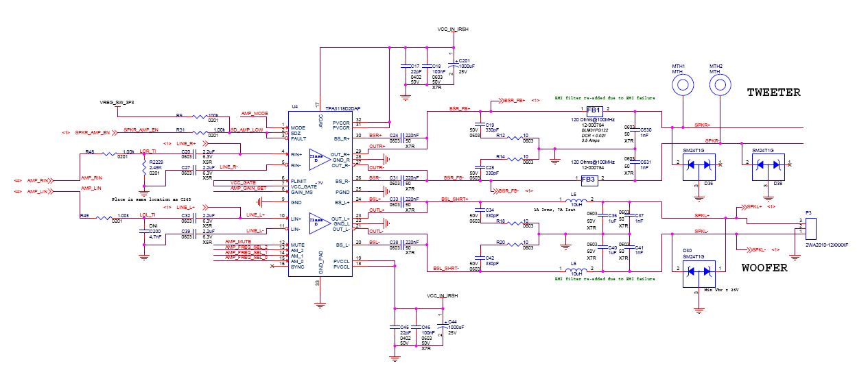
器件型号:TPA3118D2你好
下面是客户原理图和测试波形。 客户测试了一些电路板、但发生了3个故障电路板、其他器件都很好。 加电时、故障单元会在低音扬声器的输出 L 上出现。 然后、故障单元的 TPA3118D2将发生故障、然后关闭输出 L 以进行驱动。 请参阅以下测试波形
为什么故障装置发生故障 TPA3118D2和其他装置在低音扬声器上正常工作? 是否有针对此问题的建议? 谢谢你。
良好的单位输出 L 波形:
故障单元输出 L 波形
良好的装置 SPK_AMP_EN
故障单元 SPK_AMP_EN
BR
Patrick




