请注意,本文内容源自机器翻译,可能存在语法或其它翻译错误,仅供参考。如需获取准确内容,请参阅链接中的英语原文或自行翻译。
https://e2e.ti.com/support/audio-group/audio/f/audio-forum/691836/lm49352-lm49352-failure-issue
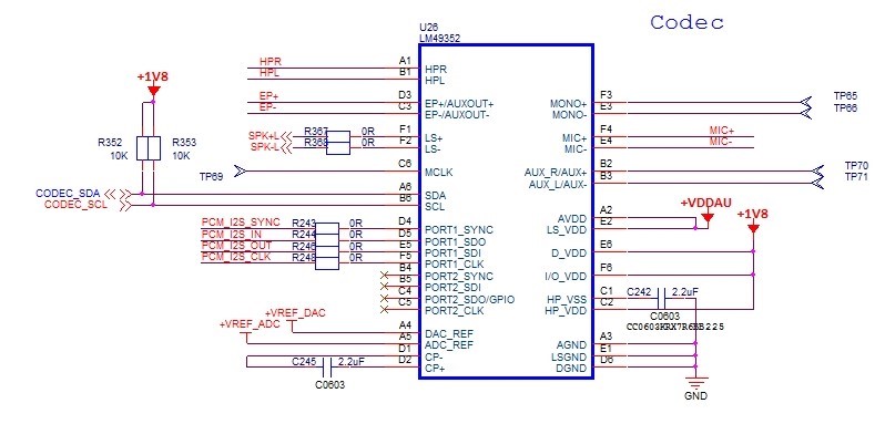
器件型号:LM49352
我们的客户生产了139套 T-box 产品、LM49352故障率为 5%。 已完成交叉验证。
两个问题是:
工作电流非常大、从50mA 到200mA。 正常电流< 5mA。
2. FCT 音频测试、MIC 输入正弦信号为1KHz、无 EP 端子信号。
造成这种损坏的原因?


