This thread has been locked.

If you have a related question, please click the "Ask a related question" button in the top right corner. The newly created question will be automatically linked to this question.

[参考译文] TLV320AIC3256:两个输入 IN1 &放大器;IN2将产生噪声问题?

Guru**** 2385200 points
请注意,本文内容源自机器翻译,可能存在语法或其它翻译错误,仅供参考。如需获取准确内容,请参阅链接中的英语原文或自行翻译。

https://e2e.ti.com/support/audio-group/audio/f/audio-forum/702585/tlv320aic3256-both-input-in1-in2-will-make-noise-issue

器件型号:TLV320AIC3256

通道1是 MIC 输入。 SE 输入。 外部麦克风偏置。  

通道2是 BT 扬声器。 差动 在中。

下面是我的寄存器表、请帮助我检查是否有错误?

当我仅输入通道1或仅输入通道2时、没有任何噪声。

但是、当我同时输入 Ch1和 Ch2时、这里存在噪声问题。

e2e.ti.com/.../audio_5F00_3256.txt

  • 请注意,本文内容源自机器翻译,可能存在语法或其它翻译错误,仅供参考。如需获取准确内容,请参阅链接中的英语原文或自行翻译。

    大家好、Ray、

    您能否分享有关您遇到的噪音问题的更多信息?  它是串扰吗?听起来像是一个音调吗?

    您还能 I²S 共享所用 μ s 时钟的采样率和频率吗? 当两个或多个输入与此编解码器或任何或我们的编解码器一起使用时、发现噪声问题并不常见。

    我将查看寄存器配置、但获取上述信息有助于确定根本原因。

    此致、

     Diego Melendez López í a
      音频应用工程师

  • 请注意,本文内容源自机器翻译,可能存在语法或其它翻译错误,仅供参考。如需获取准确内容,请参阅链接中的英语原文或自行翻译。

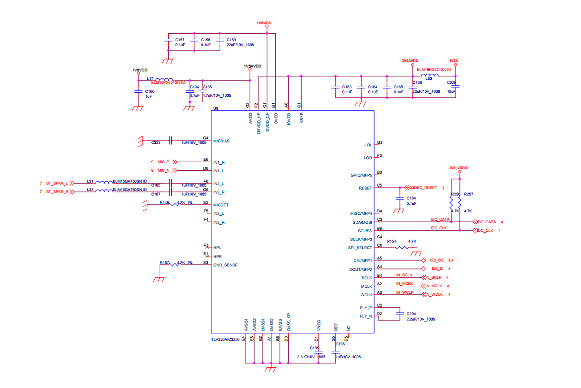
    您好、先生、

    下面是我的原理图、

    I2S LRCLK 为48K、

    IN1L 为 NC。

    谢谢!

  • 请注意,本文内容源自机器翻译,可能存在语法或其它翻译错误,仅供参考。如需获取准确内容,请参阅链接中的英语原文或自行翻译。

    大家好、Ray、

    感谢您的反馈。

    从原理图中可以看到、没有大问题、但是、如果未使用 IN1L、则使其浮动并不是一个好主意、因为某些噪声可能会通过该连接耦合。 我们建议通过一个电容器将未使用的输入连接到 GND。 您能否提供有关您遇到的噪音问题类型的更多详细信息? 它是否来自麦克风上的 BT 线路耦合产生噪声?

    此致、

     Diego Melendez López í a
      音频应用工程师