This thread has been locked.

If you have a related question, please click the "Ask a related question" button in the top right corner. The newly created question will be automatically linked to this question.

[参考译文] TLV320AIC3204:请求 AIC3204原理图审阅

Guru**** 2555190 points


请注意,本文内容源自机器翻译,可能存在语法或其它翻译错误,仅供参考。如需获取准确内容,请参阅链接中的英语原文或自行翻译。

https://e2e.ti.com/support/audio-group/audio/f/audio-forum/675115/tlv320aic3204-asking-for-the-aic3204-schemtic-review

器件型号:TLV320AIC3204



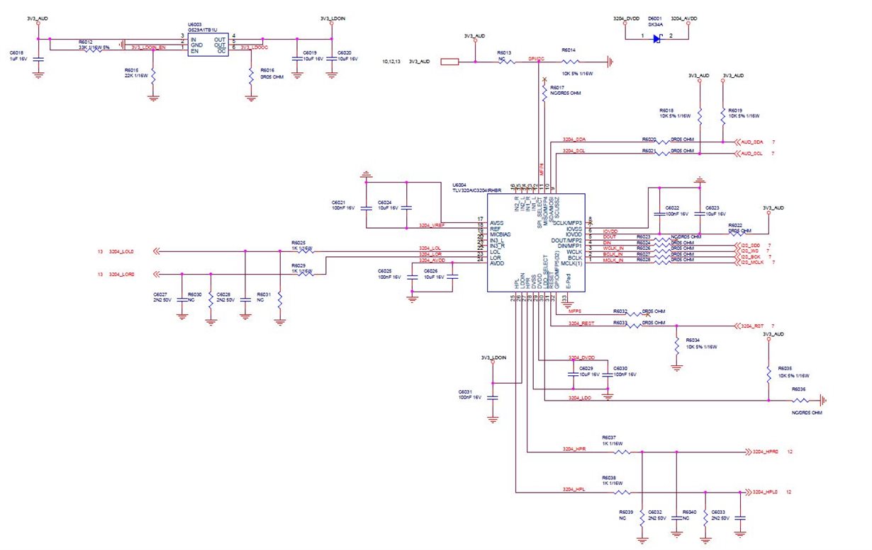
大家好、
您可以帮助查看 AIC3204原理图吗?
输入:I2S
2.输出:线路输出和耳机输出

BR、
SHH

  • 请注意,本文内容源自机器翻译,可能存在语法或其它翻译错误,仅供参考。如需获取准确内容,请参阅链接中的英语原文或自行翻译。

    您好、SHH、

    我对原理图进行了回顾、总的来说、这似乎是正确的、我想提出几个建议:

    • 我们建议通过一个电容器将未使用的输入连接到 GND。
    • 耳机和线路输出中使用的滤波器是相同的、因此我想这两种滤波器都用作线路驱动器、如果正确、应该没有问题。
    • 您知道右上角二极管的用途吗? 它连接 AVDD 和 DVDD。 与内部 LDO 配合使用时、应连接到 AVDD 和 DVDD 的唯一元件是去耦电容。

    此致、

     Diego Melendez López í a
      音频应用工程师