请注意,本文内容源自机器翻译,可能存在语法或其它翻译错误,仅供参考。如需获取准确内容,请参阅链接中的英语原文或自行翻译。
https://e2e.ti.com/support/audio-group/audio/f/audio-forum/727719/pcm1754-pcm1754tdbqrq1
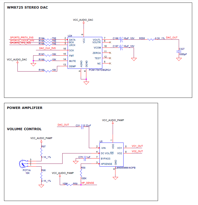
器件型号:PCM1754您好!
我们在设计中使用的是音频 DAC、我们将该 DAC 输出连接到功率放大器。 从功率放大器获取的信号将提供给扬声器/音频插孔。
我们已经为 PCM1754TDBQRQ1设计了输出滤波器、我们希望获取您对其的输入。
我在这里附上了原理图。
此致、
E.Rohini
