This thread has been locked.

If you have a related question, please click the "Ask a related question" button in the top right corner. The newly created question will be automatically linked to this question.

[参考译文] PCM5102A:PCM5102A 问题

Guru**** 2601915 points
Other Parts Discussed in Thread: PCM5102A, DRV632

请注意,本文内容源自机器翻译,可能存在语法或其它翻译错误,仅供参考。如需获取准确内容,请参阅链接中的英语原文或自行翻译。

https://e2e.ti.com/support/audio-group/audio/f/audio-forum/1203400/pcm5102a-pcm5102a-problem

器件型号:PCM5102A
主题中讨论的其他器件: DRV632

您好!尊敬的:

我们的客户 在使用 PCM5102A 的过程中遇到了一些问题。 请帮助我们解决这些问题。

THD+N 比指数要求为0.004%(88dB)、 但测量数据为0.11%、如表所示。

从18KHz 到20kHz 的频率响应下降了很多。 特定测试数据和图片、如文档。

e2e.ti.com/.../_F3979198_.xls

下表显示了 PCM5102A 的失真指示器。 此芯片的最大偏差已超出要求、但测量结果远低于规格中的最大偏差。

客户在硬件方面做了一些改进、比如修改电源、增加电源滤波电容、切割线、减少 ESD 器件、更换信号滤波电容后没有明显的改进

5.帮助查看测试中使用的音频信号幅值是否过大;测试仪器的设置是否存在问题?

原理图和布局如下所示。

e2e.ti.com/.../RK3568_5F00_DMX_5F00_BOX-_5F00_-70.pdfe2e.ti.com/.../PCM5102A-PCB_2A62FE56_.docx

  • 请注意,本文内容源自机器翻译,可能存在语法或其它翻译错误,仅供参考。如需获取准确内容,请参阅链接中的英语原文或自行翻译。

    您好、Anna、

    我们需要收集更多数据来查找问题。  

    我们需要的信息是 I2S 信号和模拟输出的屏幕截图、 我认为这会在输出端显示失真信号。

    此外、它们还可以在输出端执行 FFT、以查看在基频之上引入的谐波类型(例如1KHz 输入信号)。

    我们 还可以检查原理图、以确保没有明显的问题。

    请发送上述数据点、然后我们从那里开始。

    此致、

    Arash

  • 请注意,本文内容源自机器翻译,可能存在语法或其它翻译错误,仅供参考。如需获取准确内容,请参阅链接中的英语原文或自行翻译。

    您好!尊敬的:

    这是原理图

    e2e.ti.com/.../2526.RK3568_5F00_DMX_5F00_BOX-_5F00_-70.pdf

  • 请注意,本文内容源自机器翻译,可能存在语法或其它翻译错误,仅供参考。如需获取准确内容,请参阅链接中的英语原文或自行翻译。

    您好 Anna,我检查了原理图的 DAC 部分 。 我 不清楚 它们为什么要将 DAC 的输出连接到驱动器的输出(DRV632) 我希望 DAC 的输出连接到驱动器的输入。    我在这里缺少什么吗?

    它们能否从 驱动器上断开 DAC 输出并在没有任何连接的情况下独立检查 DAC?

    此致、

    Arash

  • 请注意,本文内容源自机器翻译,可能存在语法或其它翻译错误,仅供参考。如需获取准确内容,请参阅链接中的英语原文或自行翻译。

    您好!尊敬的:

    如图所示、未焊接 DRV632和外设相关器件。

    2.您能帮我再次检查吗? 是否有任何方法可以改善失真?

    PCM5102A 的 THD+N 比指数能否达到88dB?

  • 请注意,本文内容源自机器翻译,可能存在语法或其它翻译错误,仅供参考。如需获取准确内容,请参阅链接中的英语原文或自行翻译。

    您好、Anna、

    该器件 可提供88dB THD。

    请要求他们仅连接 DAC (DAC 的输出端没有任何连接) 、并查看结果。 此外、请分享 I2S 信号和输出波形的清晰屏幕截图。 作为完整性检查、它们的电源电压也是正确的?

    谢谢、此致、

    Arash

  • 请注意,本文内容源自机器翻译,可能存在语法或其它翻译错误,仅供参考。如需获取准确内容,请参阅链接中的英语原文或自行翻译。

    您好!尊敬的:

    波形如图所示

  • 请注意,本文内容源自机器翻译,可能存在语法或其它翻译错误,仅供参考。如需获取准确内容,请参阅链接中的英语原文或自行翻译。

    您好 Anna,要组织起来,避免来回走动,请让他们回答以下问题。  对于  AVDD = CPVDD = DVD = 3.3V、FS = 48kHz、系统时钟= 512fs 和输入 为1KHz 的24位 I2S 格式

    1 -断开 DAC 与任何负载的连接、测量 THD 并将其与一开始获得的 THD=0.11%(60dB)的值进行比较。  

    2 - 如果它们以 相同的1KHz 频率更改输入(-1dB 至-10dB 和-20dB)、会产生什么影响

    3 -尽管我在 Vout 中看不到明显的失真、 但他们用于 SCK、BCLK 和 LRCLK 的实际频率是多少? 。 请向我发送 I2S 信号(SCK、BCLK、LRCLK 和 DIN)的清晰屏幕快照。  避免发送未识别的信号、我不知道 它们包含在输出波形中的红色信号是什么。  

    我需要查看边沿并查看频率。 此外、我希望能够查看格式是 I2S 还是 LJ。 它们可以为 I2S 信号提供具有不同缩放效果的多个屏幕截图

    4 -它们是否获得了输出的 FFT 来查看音调?

     

    我在 DAC 中包括了 AP2700设置的屏幕截图,其中扫描了输入电平并绘制了 THD 图。 此外、您还可以在-10dB 的频率下读取1.25KHZ 输入的 THD 值。 请注意,我在 AP 中使用了 A_WT 过滤器,这对我很有帮助。 在另一个屏幕截图中  、发送了1KHz、-1dB 正弦波、并观察到 THD。  我在他们的报告中看不到这种屏幕截图。 您能不能让我看到 一个类似的屏幕截图、其中显示了0.11%的 THD、以防我丢失它?

         

    此致、

    Arash

  • 请注意,本文内容源自机器翻译,可能存在语法或其它翻译错误,仅供参考。如需获取准确内容,请参阅链接中的英语原文或自行翻译。

    e2e.ti.com/.../0dB_5F00_20Hz_2D00_20KHz_5F00_48KHz_5F00_L_2B00_R-Stero.wav

    大家好、Arash、很抱歉我迟到了。

    我尝试修改 PCM5102A 的电源电路、使其尽可能干净、不会产生任何影响。
    我在 AP2700中尝试过 A-WT,但没有太大变化。当我播放此音频文件时,我在 AP2700中看到了 FFT,THD 非常好!  但是、音频信号的振幅看起来并不是真的、它太低、只有大约- 70dB。

    我怀疑音频文件有问题、但我无法确认。

    1.这是0dB 音频文件;

    2.不同的编解码器使用此音频文件表现出一致性。

    3.硬件已从信号中移除所有滤波电容器,高频部件的频率响应仍然很差。

    非常感谢您的帮助!  

    此致、

    曹凯莉亚

    SCLK 和数据   LRCLK 和数据    3. MCLK 和数据

  • 请注意,本文内容源自机器翻译,可能存在语法或其它翻译错误,仅供参考。如需获取准确内容,请参阅链接中的英语原文或自行翻译。

    您好、Celia、

    您能在一个图中确认 CLKS 和数据格式。 通常电力线或 CLKS 是罪魁祸首。  各个时钟 在这里看起来不错,但我想在一个窗口中看到它们,并查看格式(请参阅数据表中的图14) 。 您能否向我发送这些图、其中包含帧中的 LRCLK 周期和放大、以便我也可以检查数据格式。  

    您提到您已卸下所有滤波器电容器 ,只需确保断开 DAC 连接并测量 DAC 输出端的 THD。 请将 THD 点读数的屏幕截图发送给我、 输入时为-1dBFS (类似于我从 AP 读数发送给您的第一个屏幕截图)

    此致、

    Arash

  • 请注意,本文内容源自机器翻译,可能存在语法或其它翻译错误,仅供参考。如需获取准确内容,请参阅链接中的英语原文或自行翻译。

    e2e.ti.com/.../Slow_5F00_freq_5F00_sweep_5F00_sixthOct_5F002D00_1dB_5F00_48k.16_5F00_2.wav

    您好、Arash、

    请允许我与您分享一个好消息、THD+D 已达到完美的0.0045%! 我认为小信号电平是达到标准的原因。 我找到了一个-1dB 48K 音频文件。

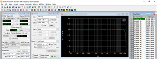
    同时、我检查了 I2S 信号、发现它符合 I2S 数据格式、与图14一致。 由于我只有一个双通道示波器、因此我使用一个探针测试了 LRCLK 和 SCLK、并使用另一个探针测试了数据。

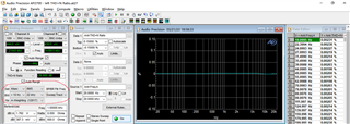
    此外、高频器件的频率响应仍然未经认证。 我们希望20kHz 时的频率响应为-0.5dB。 我在没有任何变化的情况下从输出端子上移除了2.2nF 电容。 我不确定是谁导致了这个问题、音频文件还是引脚 FLT?

    Thans、感谢您的帮助!

    此致、

    曹凯莉亚

  • 请注意,本文内容源自机器翻译,可能存在语法或其它翻译错误,仅供参考。如需获取准确内容,请参阅链接中的英语原文或自行翻译。

    您好、Celia、   

    我对 SCK 很好奇 、也对它像这样移位的原因很好奇。  

    从您的图中可以看出、20kHz 时为-1dB、 我不清楚为什么您要以-0.5dB 为目标、但您可以 通过滤波器设计调整 LPF 滚降。  

    您可以 在 FLT 上切换 b/w 不同的选项、并查看 它是否是 您想要的。  

     此致、

    Arash

  • 请注意,本文内容源自机器翻译,可能存在语法或其它翻译错误,仅供参考。如需获取准确内容,请参阅链接中的英语原文或自行翻译。

    您好、Arash

    波形是 LRCLK 和 SCLK 的叠加。 我需要在双通道示波器上看到三个信号。 无论如何、我们也许可以确认它们是否正常?

    频率响应似乎是 AP 设置的问题。 我们将 AP 的 BW 修改为30K 和80K、并且测试结果已通过认证。 您的支持促使我找到了解决方案。 谢谢你。

  • 请注意,本文内容源自机器翻译,可能存在语法或其它翻译错误,仅供参考。如需获取准确内容,请参阅链接中的英语原文或自行翻译。

    非常好、很高兴您在 freq 响应中获得了所需的内容。 根据您的图、格式正确并遵循 I2S、只需一位移位。

    谢谢、

    Arash