https://e2e.ti.com/support/audio-group/audio/f/audio-forum/1283612/tlv320aic3104-aic3104
器件型号:TLV320AIC3104您好,我想为芯片设置一个简单的路径。我使用的信号发生器输入电压为1V频率为1kHz,我设置的寄存器有R17。15,R46--> 128,R19>2,R51--> 157.k 当我在输入端口输入正弦波时,设置寄存器后输出端口没有明显的波形。有问题吗?Ω

我希望这有帮助!
问候
This thread has been locked.
If you have a related question, please click the "Ask a related question" button in the top right corner. The newly created question will be automatically linked to this question.
https://e2e.ti.com/support/audio-group/audio/f/audio-forum/1283612/tlv320aic3104-aic3104
器件型号:TLV320AIC3104您好,我想为芯片设置一个简单的路径。我使用的信号发生器输入电压为1V频率为1kHz,我设置的寄存器有R17。15,R46--> 128,R19>2,R51--> 157.k 当我在输入端口输入正弦波时,设置寄存器后输出端口没有明显的波形。有问题吗?Ω

我希望这有帮助!
问候
您好!
我注意到您缺少用于取消 PGA 静音的寄存器15。 寄存器19不是必需的。 尝试以下脚本:
W 30 01 80 #软件重置
W 30 07 80 #软件复位
W 30 11 0F #连接 IN2L
W 30 0F 00 #设置 PGA 增益并取消静音
W 30 2E 80 #PGA 路由到 HPOUT
W 30 33 05 #上电 HPOUT
W 30 33 0D #解除 HPOUT 静音
此致、
J·麦克弗森
你好,我很抱歉打扰你。 设置好路径后、我将使用信号发生器输入无论输入电平有多高、在使用示波器查看时、我的输出都没有变化。
我的增益设置如下所示
R 13 0
R 0F 7F
R 43 80
R 25 20
R 48 9D
R 26 14
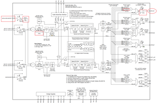
路径 I set 为 MIC1LP 输入、HPRCOM 输出。 是否有控制增益开关的寄存器? 此外、我还想补充一点、在我打开开发板后、一些寄存器的配置不是默认值、最初我将它们更改为默认值。
这是一个屏幕截图的手册我参考。非常期待你的答复。 谢谢您!~

此致、
刘宝文
您好、我按如下所示对通道进行了调制、
我的设置如下:r1->128,
R19--> 0,
R15--> 0,
R46--> 128,
R51-->13;
I set 的所有值都不是增益、但当我使用信号发生器输入245mV 电压时、如果我设置没有增益、我理论上应该输出245mV RMS 电压、但我通过示波器接收到的 RMS 电压仅为30mV 左右。 问题出在哪呢?
我需要设置的增益为245mV IN 和5mV OUT


我的输入和输出按红色箭头的方向显示。
按如下所示设置路径时、我的寄存器设置为
r1-->128,
R19--> 0,
R15--> 0,
R67--> 128,
R37--> 16,
R72--> 13,
R38 --> 20
但我发现我设置的通道没有经过、我可以问一下有什么问题吗?

我现在唯一的芯片手册是2021年、是否有可以使用的更新版本手册?

此致、
刘宝文
您好、Bowen:
如果您要将30mV 输出降低到5mV、您需要将路径的增益降低约15dB。 您可以在多个地方这样做、方法是降低 HPRCOM 输出电平、调整 PGA 增益(推荐)或在链的最开始调整前置放大器增益。
我试过你的脚本,发现说明是正确的,但它们的顺序是错误的。 您应该先设置 HPRCOM 输出类型(单端输出)、然后再配置其他任何内容。 我在下面添加了我推荐的脚本。 您可以调整这些值以匹配所需的增益设置。
W 30 01 80 #软件重置
W 30 07 80 #软件复位
W 30 13 40 #Connect IN1LP、增益为-12dB
W 30 0F 00 #使 PGA 取消静音、增益为0dB
W 30 26 10 #设置 HPRCOM 作为 SE 输出
W 30 48 05 #Power up HPRCOM 但暂时保持静音
W 30 43 80 #连接 PGA 至 HPRCOM
W 30 48 0D #解除 HPRCOM 静音
2021年的数据表是最新版本。
此致、
J·麦克弗森