您好!
我们使用 TPA6211T-Q1驱动一个8欧姆的小型扬声器、这会产生"蜂鸣声"作为声学反馈。
声音的长度为 aprox 56ms。 我们仅在此时间段内使放大器保持启用状态。
该信号通过调制 PWM 信号的占空比生成、并由 RC 低通滤波器进行滤波。 我们已选中、模拟信号具有正确的形状。
我们遇到了以下问题:在关断信号的上升和下降沿、我们会在示波器上观察到 VO +和 VO -上的不必要转换、这会产生可闻的噼啪噪声。
我们已经执行的一些测试:
-在 TP88有1.67V 恒定电压的情况下,转换在示波器上仍然可见,而且仍然存在噼啪噪声。
-在 IN+引脚上强制施加2.5V 外部电压电源时,转换在示波器上仍然可见,同时杂音降低,但仍然可以听到。
已在旁路引脚上填充多个电容值。 任何电容值都会使 POP 噪声变得更糟(脉冲变得更长)。
-通过网络 DCDC_5V 的10kOhm/10kOhm 分压器在旁路引脚上施加恒定2.5V -->杂音被完全消除。
放大器的电源电压始终存在。 是否允许使用外部元件使用2.5V 对旁路引脚进行预偏置?
原始行为:

在旁路引脚上使用外部电阻分压器施加2.5V 电压后:

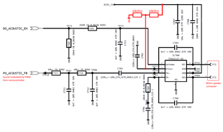
原理图:

用于解决"噼啪"噪声问题的修改:

感谢您的支持!

