This thread has been locked.

If you have a related question, please click the "Ask a related question" button in the top right corner. The newly created question will be automatically linked to this question.

[参考译文] TLV320AIC3262:布局前的原理图审阅

Guru**** 2512025 points
Other Parts Discussed in Thread: TLV320AIC3262, TLV320AIC3254

请注意,本文内容源自机器翻译,可能存在语法或其它翻译错误,仅供参考。如需获取准确内容,请参阅链接中的英语原文或自行翻译。

https://e2e.ti.com/support/audio-group/audio/f/audio-forum/1312571/tlv320aic3262-schematic-review-before-layout

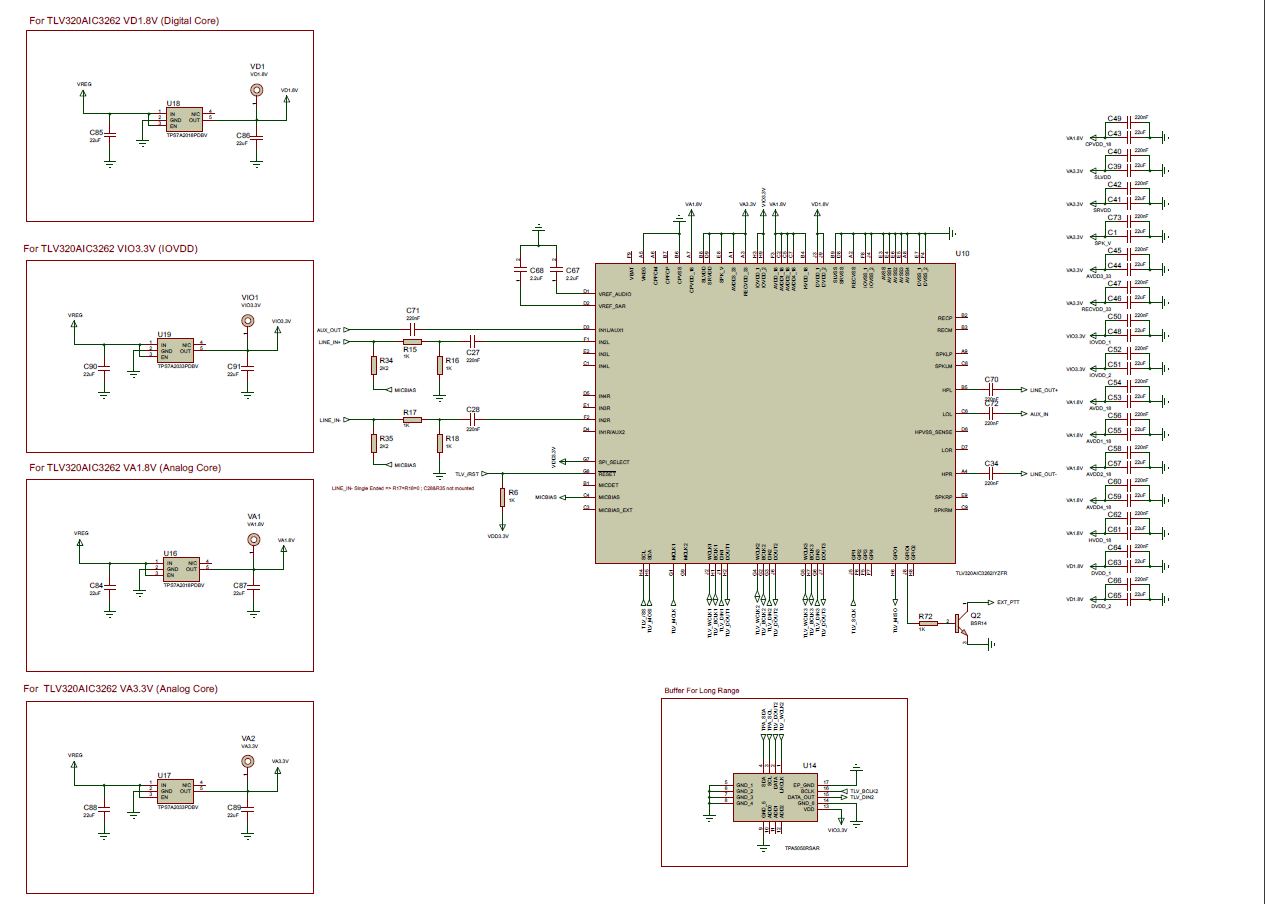
器件型号:TLV320AIC3262
主题中讨论的其他器件: TLV320AIC3254

大家好!

我想分享我的 TLV320AIC3262原理图。

我们已经基于 TLV320AIC3254设计了 PCB、但3262在电源要求方面会更加棘手。

如果您发现有问题/错误、或者您对此设计有任何建议、请随时向我发送您的评论。

链接 原理图

感谢您的专业知识

塞巴斯蒂安

  • 请注意,本文内容源自机器翻译,可能存在语法或其它翻译错误,仅供参考。如需获取准确内容,请参阅链接中的英语原文或自行翻译。

    您好  

    我的意见:

    • 电源去耦电容器的 EVM 原理图和数据表图33中的典型应用电路。  
    • VNEG、CPFCP/M 需要2.2uF 电容器连接至 GND。
    • 缓冲器、请确保它是开漏器件以支持 I2C 双向总线。 如有需要、还可以使用 I2C 转换器器件代替该缓冲器。
    • 建议在 MCLK、WCLK、BCLK 线路上放置0 Ω 电阻器、以抑制任何瞬态。
    • 对于任何未使用的模拟输入、如 IN3或 IN4、放置0.47uF 电容器至 GND。
    • 如果线路输出(LO)正在驱动音频放大器、请在放大器前添加一个 LPF (R=100、C=47nF)。

    此致。

  • 请注意,本文内容源自机器翻译,可能存在语法或其它翻译错误,仅供参考。如需获取准确内容,请参阅链接中的英语原文或自行翻译。

    大家好、pdjuandi:

    感谢您的推荐!

  • 请注意,本文内容源自机器翻译,可能存在语法或其它翻译错误,仅供参考。如需获取准确内容,请参阅链接中的英语原文或自行翻译。

    不用客气。