https://e2e.ti.com/support/audio-group/audio/f/audio-forum/1331556/mc33078-mc33078dr-burn-issue
部件号:MC33078嗨、大家好!
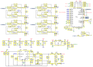
我在 ADC 输入级使用了 TI #MC33078DR 运算、 请参阅下面的 原理图
。 
当我燃烧了大约8小时,没有声音输出。
目视发现 MC33078已烧坏、但更换后恢复正常。
如果原理图中有任何问题、请提供帮助和建议?

This thread has been locked.
If you have a related question, please click the "Ask a related question" button in the top right corner. The newly created question will be automatically linked to this question.
https://e2e.ti.com/support/audio-group/audio/f/audio-forum/1331556/mc33078-mc33078dr-burn-issue
部件号:MC33078嗨、大家好!
我在 ADC 输入级使用了 TI #MC33078DR 运算、 请参阅下面的 原理图
。 
当我燃烧了大约8小时,没有声音输出。
目视发现 MC33078已烧坏、但更换后恢复正常。
如果原理图中有任何问题、请提供帮助和建议?

尊敬的 Ron:
烧烤过程只打开电源,输入音乐 ,检查正常声音,然后 让它等待8小时。
我测量了 每一点的波形,发现 在接通电源期间,在 Net#+5VA 上有"过度射击"达到8V。

当我移除保护二极管(D14/D19/D17/D22/D26/D40/D38/D41)时、 过冲消失。

压力似乎是由#MC33078产生的
我无法理解这种过度拍摄是如何产生的? 我不知道它是否与#MC33078燃烧有关?
作者:William、
如果您认为这可能是与 MC33078相关的问题、可以按照以下路径进行操作。 始终参考数据表规格、Icc 电源电流是显而易见的。