请注意,本文内容源自机器翻译,可能存在语法或其它翻译错误,仅供参考。如需获取准确内容,请参阅链接中的英语原文或自行翻译。
https://e2e.ti.com/support/audio-group/audio/f/audio-forum/1347298/pcm5102a-design-review
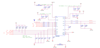
器件型号:PCM5102A您好、TI 团队、
请帮助我们复查 DAC PCM5102APW 的原理图、并请分享您的宝贵评论。

谢谢
桑德拉
This thread has been locked.
If you have a related question, please click the "Ask a related question" button in the top right corner. The newly created question will be automatically linked to this question.
https://e2e.ti.com/support/audio-group/audio/f/audio-forum/1347298/pcm5102a-design-review
器件型号:PCM5102A您好、TI 团队、
请帮助我们复查 DAC PCM5102APW 的原理图、并请分享您的宝贵评论。

谢谢
桑德拉