请注意,本文内容源自机器翻译,可能存在语法或其它翻译错误,仅供参考。如需获取准确内容,请参阅链接中的英语原文或自行翻译。
器件型号:PCM3060 我想看一个模拟输入电路的方框图。
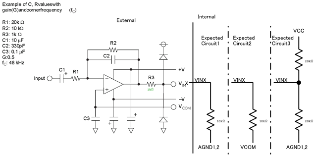
下图显示了内部块的预期电路。
如果它是预期的电路1、则 ADC 输入将偏移到负极侧。 我认为这不是预期的电路1。

此致、
广志。
This thread has been locked.
If you have a related question, please click the "Ask a related question" button in the top right corner. The newly created question will be automatically linked to this question.
我想看一个模拟输入电路的方框图。
下图显示了内部块的预期电路。
如果它是预期的电路1、则 ADC 输入将偏移到负极侧。 我认为这不是预期的电路1。

此致、
广志。