This thread has been locked.

If you have a related question, please click the "Ask a related question" button in the top right corner. The newly created question will be automatically linked to this question.

[参考译文] TAS5634:TAS5548&TAS5364芯片组、噪音问题

Guru**** 2387060 points
Other Parts Discussed in Thread: TAS5634, TAS5548
请注意,本文内容源自机器翻译,可能存在语法或其它翻译错误,仅供参考。如需获取准确内容,请参阅链接中的英语原文或自行翻译。

https://e2e.ti.com/support/audio-group/audio/f/audio-forum/1366589/tas5634-tas5548-tas5364-chipsets-noise-issue

器件型号:TAS5634
Thread 中讨论的其他器件: TAS5548

工具与软件:

大家好、TI 团队、ñ ol

帮助您找到 WS6.2在283Hz.654产生噪声的原因 WS6.2使用 TI 芯片 TAS5548 + TAS5634方案、
频率为283Hz 时检测到噪声。 请参阅以下屏幕截图。
如果使用以下值、TAS5548 0x51-53寄存器将发出噪声。 默认值为 fine。
我们已将以下寄存器值写入 TI TAS5634 EVM 板、此时将出现相同的噪声。
客户告知下面的寄存器没有 EQ 增强、所以应该没有噪音。 请帮助检查原因以及是否有解决方案。 谢谢!

ws6.2寄存器0x51-53的当前值  

51 00 7F EE 47 0F 00 23 72 00 7F EE 47 00 FF DC 7B 0F 80 23 5E

52 00 7F DD FC 0F 00 EA 9A 00 7F 39 14 00 FF 15 66 0F 80 E8 F0

53 00 80 04 7E 0F 00 6B 69 00 7F 90 73 00 FF 94 97 0F 80 6B 0F

 

寄存器0x51-53的默认值

51 00 80 00 00 00 00 00 00 00 00 00 00 00 00 00 00 00 00 00 00 00 00 00

52 00 80 00 00 00 00 00 00 00 00 00 00 00 00 00 00 00 00 00 00 00 00

53 00 80 00 00 00 00 00 00 00 00 00 00 00 00 00 00 00 00 00 00 00 00 00

  • 请注意,本文内容源自机器翻译,可能存在语法或其它翻译错误,仅供参考。如需获取准确内容,请参阅链接中的英语原文或自行翻译。

    您好!

    尽管很难将寄存器值反转回 EQ 设置、但 ws6.2寄存器0x51-53显然在 EQ 中执行了一些处理。

    但默认寄存器值中没有处理。

    通常、EQ 中的任何处理都不会有该值。

    如果客户不需要任何处理、则应使用默认值。

    Tks

    Jesse

  • 请注意,本文内容源自机器翻译,可能存在语法或其它翻译错误,仅供参考。如需获取准确内容,请参阅链接中的英语原文或自行翻译。

    你好、Jesse、

    此产品需要 EQ 设置、0x51-53无法设置为默认值。

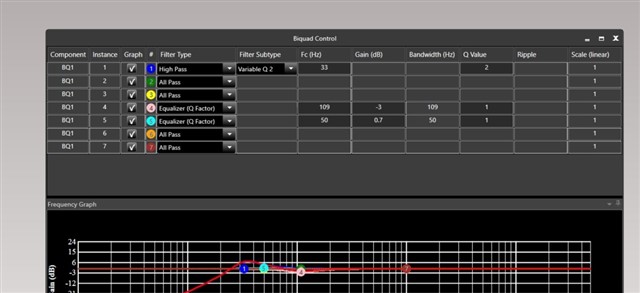
    附件是 BQ1/BQ2的 EQ 设置值。 TI TAS5634 EVM 中的值0x51-Q53是下面的电子邮件中提到的值、在 FFT 测试期间将在200-300Hz 频带内产生噪声。
    根据附件中的 EQ 设置、可以看出200-300Hz 频带的增益实际上约为0dB。 为什么设置后双二阶滤波器会在200-300Hz 频段内产生噪声? 谢谢!

    BQ1

    BQ2

  • 请注意,本文内容源自机器翻译,可能存在语法或其它翻译错误,仅供参考。如需获取准确内容,请参阅链接中的英语原文或自行翻译。

    您好!

    很奇怪、您的配置如何? 立体声? 还是单声道1.1?

    这是否可能会受到其他器件设置的影响?

    Tks

    Jesse

  • 请注意,本文内容源自机器翻译,可能存在语法或其它翻译错误,仅供参考。如需获取准确内容,请参阅链接中的英语原文或自行翻译。

    你好、Jesse、

    在 EVM 电路板测试期间、我使用了默认输出模式、应该是立体声。 我们的产品还配置为立体声模式。 由于我使用的 TI TAS5634 EVM 仅更改了 BQ1/BQ2值(我之前提供的值)、因此 EVM 板也会产生相同的噪声、这表明这可能不是由其他器件设置引起的。

  • 请注意,本文内容源自机器翻译,可能存在语法或其它翻译错误,仅供参考。如需获取准确内容,请参阅链接中的英语原文或自行翻译。

    高开关

    不确定这是软件问题还是硬件问题。

    您是否可以检查是否使用了其他频段均衡器、它是否可以工作?

    以了解硬件问题。

    您能否确认输出信号是否有削波?

    Tks

    Jesse

  • 请注意,本文内容源自机器翻译,可能存在语法或其它翻译错误,仅供参考。如需获取准确内容,请参阅链接中的英语原文或自行翻译。

    尊敬的 Jesse:

    切换到其他频带后、测试结果相同。

    1kHz 时的输出电压约为100mV、无削波。 请参阅以下 FFT 扫描。

  • 请注意,本文内容源自机器翻译,可能存在语法或其它翻译错误,仅供参考。如需获取准确内容,请参阅链接中的英语原文或自行翻译。

    这种噪音可能是由外部干扰引起的;您可以尝试更换电源。

  • 请注意,本文内容源自机器翻译,可能存在语法或其它翻译错误,仅供参考。如需获取准确内容,请参阅链接中的英语原文或自行翻译。

    这种噪音可能是由外部干扰引起的;您可以尝试更换电源。