Other Parts Discussed in Thread: JFE150, LM431, JFE2140
Thread 中讨论的其他器件:LM431、 JFE2140、JFE150
工具与软件:
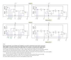
无论做了什么、当前可用的 LDO 的噪声都非常大、不适用于音频设计。 我用以下公式设计自己的 LDO:电压基准(如 LM431)->输出端的重型滤波器->重型、RC 滤波器后串联到输出端->缓冲器->重型、RC 滤波器->输出放大器->功率晶体管(s)。 光学隔离器也可以插入该链中。 光学隔离器是抑制还是引入噪声是有问题的、但这不是问题。 问题是、音频质量 IC 应该制作电阻器、电容器和输出晶体管。 当不使用外部晶体管时、IC 可用作 LDO 稳压器、从而提供极小的电流(仅限)或无噪声电压基准。 使用外部晶体管时、IC 可用作实际的高电流 LDO 稳压器。 请注意、所有这些放大器的噪声都非常大、不能直接用于音频目的或高分辨率 ADC。 随附的是 IC 的原理图、它非常简单和简单、以及一些简单、基本的应用程序(还有许多其他选项、附件中没有提到)。 请参阅附件。

