请注意,本文内容源自机器翻译,可能存在语法或其它翻译错误,仅供参考。如需获取准确内容,请参阅链接中的英语原文或自行翻译。
器件型号:TAA5242 工具与软件:
您好、
IN2P 在上电后具有噪声。
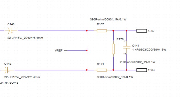
Sch


无输入 IN2P IN2M、IN2P 的波形具有明显的噪声。 IN2M 偏置电压也异常、正常值为1.37V;

当没有输入时、IN1P 和 IN1M 的波形是正常的、偏置电压为1.37V;

从 IN2P 和 IN2M 输入端子上移除一些元件后、情况没有改善。

This thread has been locked.
If you have a related question, please click the "Ask a related question" button in the top right corner. The newly created question will be automatically linked to this question.
工具与软件:
您好、
IN2P 在上电后具有噪声。
Sch


无输入 IN2P IN2M、IN2P 的波形具有明显的噪声。 IN2M 偏置电压也异常、正常值为1.37V;

当没有输入时、IN1P 和 IN1M 的波形是正常的、偏置电压为1.37V;

从 IN2P 和 IN2M 输入端子上移除一些元件后、情况没有改善。
