This thread has been locked.

If you have a related question, please click the "Ask a related question" button in the top right corner. The newly created question will be automatically linked to this question.

[参考译文] CCS/CC2650:CC2650在定制板中不工作

Guru**** 2595805 points
Other Parts Discussed in Thread: CC2650

请注意,本文内容源自机器翻译,可能存在语法或其它翻译错误,仅供参考。如需获取准确内容,请参阅链接中的英语原文或自行翻译。

https://e2e.ti.com/support/wireless-connectivity/bluetooth-group/bluetooth/f/bluetooth-forum/607103/ccs-cc2650-cc2650-not-working-in-custom-board

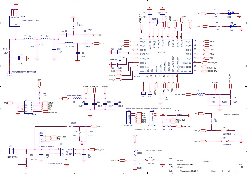
器件型号:CC2650

工具/软件:Code Composer Studio

先生

根据故障排除方法

我检查器件的电压和电流消耗。

VDDR 和 VDDR_RF 上的电压= 1.68V。

DCOUPL 引脚上的电压为零。

器件电流消耗= 6.2mA

加电时,DCOUPL 引脚上的电压接近2.4v,并逐渐降至零。

请告诉我、好的。 或上述电压中的任何问题。 DCOUPL 引脚连接到1uF 电容器。

  • 请注意,本文内容源自机器翻译,可能存在语法或其它翻译错误,仅供参考。如需获取准确内容,请参阅链接中的英语原文或自行翻译。
    大家好、keerthi Kumar、
    您能否提供电路板的更多详细信息? 您的定制板是根据 TI 推荐的设计设计设计的吗?
  • 请注意,本文内容源自机器翻译,可能存在语法或其它翻译错误,仅供参考。如需获取准确内容,请参阅链接中的英语原文或自行翻译。

    是的、我非常确定此设计是基于 TI 推荐的

    我在4块电路板中订购4块电路板的任何方式一个电路板正在工作、这意味 着 vdr、ddoup 和消耗的电流都很好。

    现在、我尝试使用闪存编程器2来识别器件并提供 Mac 地址、然后我尝试上传 TI 在蓝牙栈2.2中提供的一个十六进制文件、但十六进制文件不会经过。

    原因是什么?

  • 请注意,本文内容源自机器翻译,可能存在语法或其它翻译错误,仅供参考。如需获取准确内容,请参阅链接中的英语原文或自行翻译。
    大家好、keerthi Kumar、
    您的原理图正常。 您是否使用了程序引脚 TMS、TCK、RESET、GND?
  • 请注意,本文内容源自机器翻译,可能存在语法或其它翻译错误,仅供参考。如需获取准确内容,请参阅链接中的英语原文或自行翻译。

    TMS、TCK、TDO、TDI、RESET 和 GND

    这些是 iam 使用的引脚。

    和 XDS 110 Dev 传感器标签调试器 iam 使用..

    主席先生,这是好的。

    请尽快解决我的问题。

    提前感谢

  • 请注意,本文内容源自机器翻译,可能存在语法或其它翻译错误,仅供参考。如需获取准确内容,请参阅链接中的英语原文或自行翻译。
    您好、Keerthi、

    如果 DCOUPL 电压变为2.4V、然后逐渐降至0V、则您的芯片会损坏。

    在原理图中、我看不到到 CC2650的任何接地连接。 您是否已将接地焊盘连接到接地平面? 也许您可以分享您的布局和实际电路板的照片?

    谢谢、
    Fredrik
  • 请注意,本文内容源自机器翻译,可能存在语法或其它翻译错误,仅供参考。如需获取准确内容,请参阅链接中的英语原文或自行翻译。

    是的、先生、我确定控制器散热焊盘已接地 、请查看电路板布局。

    在我的定制板中、TI 建议使用所有电压和电流消耗。

    我正在使用 XDS110 DEVPACK 调试器。 我为 JTAG 进行了接线连接。

    我尝试通过 SmartRF 闪存编程器2加载其中一个预构建的示例十六进制文件、并且遇到以下错误、请查看下面的内容。

    我从过去的30天里一直在为解决这个问题而闲逛,我没有得到关于这个问题的任何信息,请务必解决这个问题。

    感谢您的推动

    请帮帮我。

  • 请注意,本文内容源自机器翻译,可能存在语法或其它翻译错误,仅供参考。如需获取准确内容,请参阅链接中的英语原文或自行翻译。
    您的布局图像有点难以读取。 您能否为显示实际布局(而不仅仅是布局)的顶部和底部发布单独的图?
  • 请注意,本文内容源自机器翻译,可能存在语法或其它翻译错误,仅供参考。如需获取准确内容,请参阅链接中的英语原文或自行翻译。

    SIR 请查看电路板图像并检查图解图像。

  • 请注意,本文内容源自机器翻译,可能存在语法或其它翻译错误,仅供参考。如需获取准确内容,请参阅链接中的英语原文或自行翻译。
    嗯、这与我们的参考设计和建议非常远。 这是2层电路板吗? 还是至少有接地平面? 24MHz 晶体在哪里?

    我想您的问题可能是接地不良和/或去耦不良造成的。

    我建议您浏览我们的 BLE wiki (ti.com/ble-wiki)的“设计资源”部分,特别是以下演示 文稿:processors.wiki.ti.com/.../CC26xx_HW_training_Layout_Considerations.pdf ,并对您的布局进行另一个调整。

    谢谢、
    Fredrik
  • 请注意,本文内容源自机器翻译,可能存在语法或其它翻译错误,仅供参考。如需获取准确内容,请参阅链接中的英语原文或自行翻译。
    是的,SIR 它仅是两层板..in 底部它充满了接地平面图,只有您可以在第二幅图的电池侧看到。 有24MHz 晶体、但上面的图片中没有。我使用了32.768和24MHz 晶体。

    好的、我将增加接地和去耦电容器。
    谢谢您...