This thread has been locked.

If you have a related question, please click the "Ask a related question" button in the top right corner. The newly created question will be automatically linked to this question.

[参考译文] CC2652P:BLE 连接错误 CC2652P

Guru**** 2445370 points
Other Parts Discussed in Thread: CC2652P, CC1352P7, CC2652P7, CC2652R

请注意,本文内容源自机器翻译,可能存在语法或其它翻译错误,仅供参考。如需获取准确内容,请参阅链接中的英语原文或自行翻译。

https://e2e.ti.com/support/wireless-connectivity/bluetooth-group/bluetooth/f/bluetooth-forum/1201581/cc2652p-ble-connection-error-cc2652p

器件型号:CC2652P
主题中讨论的其他器件: CC1352P7CC2652R

您好!

我们正在处理 SoC CC2652P、我们设计了自己的电路板、甚至无法连接以查看默认的通信服务。  

我们测试的示例代码是 LP_CC1352P7_4和 PROJECT_ZERO 的 simple_peripheral。

我们可以看到它、但当我们尝试连接时、我们会超时。

我们使用的是 CCS 11.1.0和 SimpleLink 6.10.0.29。 此外、我们还尝试了两个版本的最后一个版本。

你知道什么可能是问题吗?

提前感谢、

此致、

Sebastian  

  • 请注意,本文内容源自机器翻译,可能存在语法或其它翻译错误,仅供参考。如需获取准确内容,请参阅链接中的英语原文或自行翻译。

    尊敬的 Sebastian:

    我建议您逐步解决问题、首先确认器件是否能够接收和发送数据(您可以使用 SmartRF Studio 执行此操作)。

    确认该条件后、您可以考虑转到下一步并执行 simple_peripheral 等软件示例。

    我希望这将有所帮助、

    此致、

  • 请注意,本文内容源自机器翻译,可能存在语法或其它翻译错误,仅供参考。如需获取准确内容,请参阅链接中的英语原文或自行翻译。

    您好,Clement,

    感谢您的答复。 如前所述、我们验证了 TX 和 Rx 是否可以与 SmartRF Studio 一起工作。

    但它仍会停止广播。 我们加载示例代码 simple_peripheral、有时我们有 ICall 中止、有时和 Error_spin、如下所示:

    我们已经看到了这篇文章,并尝试了相同的事情,但它不能为我们工作: https://e2e.ti.com/support/wireless-connectivity/bluetooth-group/bluetooth/f/bluetooth-forum/1191771/cc2652p7-cc2652p7/4498493?tisearch=e2e-sitesearch&keymatch=cc2652p7#4498493

    此致、

    Sebastian

  • 请注意,本文内容源自机器翻译,可能存在语法或其它翻译错误,仅供参考。如需获取准确内容,请参阅链接中的英语原文或自行翻译。

    尊敬的 Sebastian:

    此问题似乎与硬件有关。 请利用此处的资源验证您的设计: https://www.ti.com/tool/SIMPLELINK-2-4GHZ-DESIGN-REVIEWS

    如果相关、您可以考虑申请设计审查。

    如果这样不能解决问题、请打开新的主题帖。

    此致、

  • 请注意,本文内容源自机器翻译,可能存在语法或其它翻译错误,仅供参考。如需获取准确内容,请参阅链接中的英语原文或自行翻译。

    尊敬的 Clement:

    感谢您的答复。

    实际上、我们遵循了德州仪器应用手册的硬件设计。

    一切运行正常、计时器、UART、驱动程序、传感器控制器、 等等... 它只是 ICall 中具有更高优先级的 BLE 任务。 即使没有修改的 cc1352p7_4示例代码也只广播一次、然后我们将其丢失。

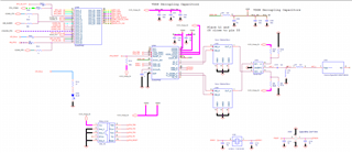
    我可以向您发送示意图、您可能看到了什么问题吗?

    谢谢!

    此致、

    Sebastian

  • 请注意,本文内容源自机器翻译,可能存在语法或其它翻译错误,仅供参考。如需获取准确内容,请参阅链接中的英语原文或自行翻译。

    也许听起来像是一条破记录、再次告诉您"硬件"、但我曾遇到过这种情况、有时是由于晶振的一个垫层未焊接所致。 每个传感垫都值得一大杯。

  • 请注意,本文内容源自机器翻译,可能存在语法或其它翻译错误,仅供参考。如需获取准确内容,请参阅链接中的英语原文或自行翻译。

    您好、Matt、Clement、感谢您的答复。

    我正在与 Sebastian 合作开发 CC2652P。

    我已经检查了32.768kHz 石英和48MHz 石英的焊接、没有问题。 我还用示波器检查了它们是否正常振荡、一切似乎都正常。 我不确定是否存在硬件问题...

    我还使用 SmartRF Studio 进一步进行研究、即在数据包 TX 模式下连接 CC2652R、在数据包 RX 模式下连接我们的自定义电路板(带有 CC2652P7_4)。

    所有数据包均已正确接收。

    我在数据包 TX 模式下执行同样的操作、一切都正常。

    我认为这是软件问题、或者可能是配置问题。

    该器件似乎正常广播、我可以在 BLE Scanner 应用上看到它、但如果我尝试连接、我将卡在 ICALL 环路中。

    我在 SysMin 输出中记录了 BLE 堆栈 MSG:

    APP : ---- init APP : icall_directAPI to BLE func=0x1d025, status=0
    APP : icall_directAPI to BLE func=0x206e9, status=0
    APP : icall_directAPI to BLE func=0x23595, status=0
    APP : icall_directAPI to BLE func=0x21089, status=0
    APP : icall_directAPI to BLE func=0x22aad, status=0
    APP : icall_directAPI to BLE func=0x22aad, status=0
    APP : icall_directAPI to BLE func=0x23769, status=0
    APP : icall_directAPI to BLE func=0x10026cd9, status=0
    APP : icall_directAPI to BLE func=0x10026d2d, status=0
    APP : icall_directAPI to BLE func=0x1002520d, status=0
    APP : icall_directAPI to BLE func=0x10017f39, status=0
    APP : ---- call GAP_DeviceInit
    APP : icall_directAPI to BLE func=0x11501, status=0
    SimplePeri TASK INIT Done====================
    APP : Stack msg status=14, event=0x91
    APP : Stack msg status=0, event=0xd0
    APP : ---- got GAP_DEVICE_INIT_DONE_EVENT
    APP : ---- call GapAdv_create set=0,0
    APP : icall_directAPI to BLE func=0x10010199, status=0
    APP : icall_directAPI to BLE func=0x14a75, status=0
    APP : icall_directAPI to BLE func=0x14a75, status=0
    APP : icall_directAPI to BLE func=0x1001ef1d, status=0
    APP : icall_directAPI to BLE func=0x100174ed, status=0
    APP : ---- call GapAdv_create set=1,0
    ID Addr: 0xB0D2786C849B
    RP Addr: 0x4B9E22176E6F
    APP : App msg status=0, event=APP_PERIODIC_EVT         
    APP : App msg status=0, event=APP_PERIODIC_EVT         
    APP : App msg status=0, event=APP_PERIODIC_EVT         
    APP : App msg status=0, event=APP_PERIODIC_EVT         <--- I try to connect here, and then no advertising more, and stuck in While loop...

    感谢您的帮助。

    此致、

    瓦伦丁 B.

  • 请注意,本文内容源自机器翻译,可能存在语法或其它翻译错误,仅供参考。如需获取准确内容,请参阅链接中的英语原文或自行翻译。

    很遗憾听到。 有时我发现有一个电容器悬挂在焊盘上、或者在连接不住时、使用错误的天线设置。 我把你搞砸了—也许你想分享一些代码吗? 我对 CC2652P 的故障模式也拥有既得利益!