你(们)好。
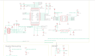
我有一个利用这个微控制器的新设计、我的两个原型的这个芯片变得非常热、但是到目前为止没有实际故障的可视迹象(刻度等)。 我的3.3V 电源在热输出和电流输出方面应该足够、并且由于其输出电压下降至2V、它也过热。
有什么想法会导致芯片过热? 我看过 GPIO 过载等明显的事情、但没有什么特别之处。 我注意到的唯一一点与我的设计和建议不同的是、由于我不使用 ADC、我在引脚 VREFHI 和 VREFLO 之间没有 ADC 电容器、这是否会导致这种故障(我怀疑不会?) ? 此外、我没有连接外部时钟、但该器件具有内部时钟。
我已附上 UC 接口的屏幕截图。 提前感谢您的帮助。 